Jump to content
B-100

K-241s stator replacement

Recommended Posts

pfrederi
34 minutes ago, BOB ELLISON said:

Should be about 13 - 14 volts at about 2500- 3000 rpm's.  At the battery post a volt meter should still read 13 volts.

I suspect a bad regulator or bad connection. Check all your connections . Check switch,and amp gage connections.  And at the battery including the ground connection. If all these are good then I would think it's a bad regulator /rectifier. 

:text-yeahthat:

Make sure the regulator has a good ground.  as a test run a jumper from the regulator housing to the battery -

  • Like 2

Share this post


Link to post
Share on other sites
 
rmaynard

As has been discussed on this forum several years ago, a good regulator that is not grounded can actually produce higher than normal voltage. Member "Save Old Iron" made that observation and I did not believe him. So I loosened the regulator on my B-100 so that it was not grounded, and sure enough it started producing about 18 VDC. I reconnected it securely and the voltage went back to normal.

 

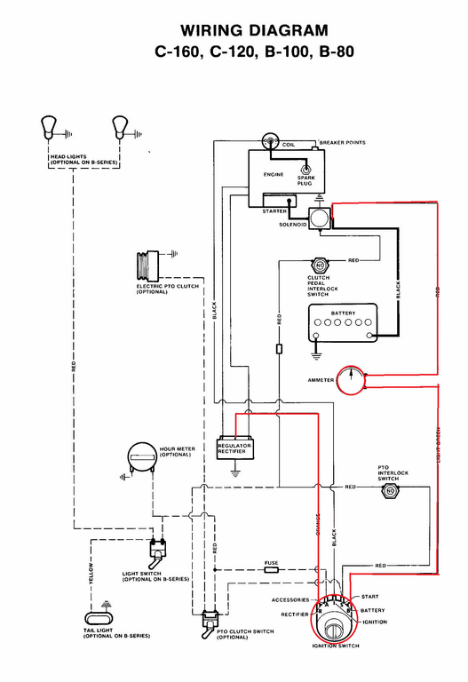
Best to start at the R/R and see what the output is. If it is 13.5 to 14.5 VDC it's okay. Then if you still don't have correct voltage at the battery, start checking everything else that is in the charging circuit, which is depicted below in red. This includes all wiring, connectors, ignition switch, and ammeter.

 

wireb100.png.732dcb55a059522b0aad46b50f211663.png

 

 

 

 

  • Like 2

Share this post


Link to post
Share on other sites
 
B-100

So I got the new regulator/rectifier from the dealer today, but haven't installed it yet. It's much smaller than the original and the terminals aren't in the same location. It's made by Oregon. Has anyone had any issues installing one of these?

Share this post


Link to post
Share on other sites
 
pfrederi

Can you show us a picture of  your new unit???

Share this post


Link to post
Share on other sites
 
rmaynard

This is the page from the Oregon catalog. Is this what you got?

 

33-400.png.290ac9fb169e119a6672fa84e62b5c5f.png

 

If so, it should work. Just remove the 1/4" female Packard terminals from the plastic housing of your wiring harness, connect the two white wires to either of the AC terminals, and the orange wire to DC.

 

 

Edited by rmaynard

Share this post


Link to post
Share on other sites
 
B-100

Yes that is the one. I was thinking the terminals were in the wrong location, but actually everything hooked up like the original one and I'm finally getting 14.3 vdc at the battery! Thanks everyone for the help, I really appreciate it!

  • Like 1

Share this post


Link to post
Share on other sites
 

Create an account or sign in to comment

You need to be a member in order to leave a comment

Create an account

Sign up for a new account in our community. It's easy!

Register a new account

Sign in

Already have an account? Sign in here.

Sign In Now

×
×
  • Create New...