howell1000 35 #1 Posted March 31, 2017 just put new battery in my wheel horse i turn the key got power can hear starter turn but will not turn engine over any ideas ?? Share this post Link to post Share on other sites
953 nut 65,210 #2 Posted March 31, 2017 used a lot of different engines and starters over the years, tell us a bit more about yours. 1 Share this post Link to post Share on other sites
howell1000 35 #3 Posted March 31, 2017 (edited) Mines a wheel horse SK 486 16 horse put a new starter and solenoid on last summer Edited March 31, 2017 by howell1000 Share this post Link to post Share on other sites
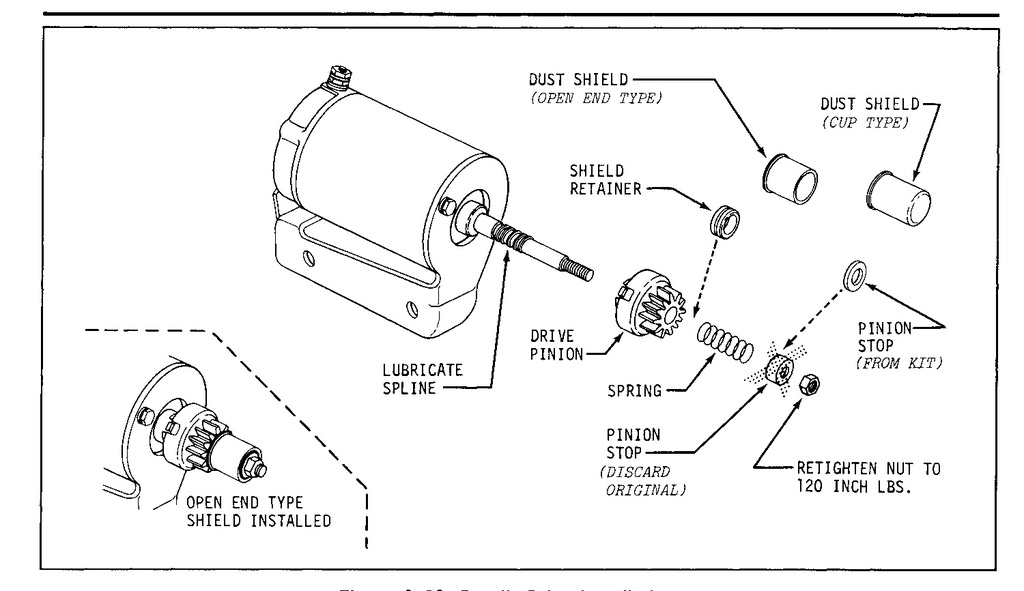
wallfish 19,729 #4 Posted March 31, 2017 From the description, I'd guess the bendix gear is stuck or the little tension spring is broke. Remove the starter and investigate. When bench testing, the gear should move towards the outer edge but it sounds like yours is not doing that. Do not lube with oil or grease, use a dry lube like graphite. 4 Share this post Link to post Share on other sites
howell1000 35 #5 Posted March 31, 2017 (edited) Ok it was a cheap starter ill try that thanks where should i put the lube? Edited March 31, 2017 by howell1000 Share this post Link to post Share on other sites
wallfish 19,729 #6 Posted March 31, 2017 4 minutes ago, howell1000 said: where should i put the lube Location in the pic above "Lubricate Spline". Turn the gear by hand and you will see the grooves it moves on. Does the starter sound like it's turning real fast? It should. It turns pretty quick until the load when it engages the the flywheel. Usually goes unnoticed since that happens real quick when it's working properly. But very noticeable when that gear isn't engaging. If it's turning slow, it's not getting enough juice to move that bendix gear. 2 Share this post Link to post Share on other sites
953 nut 65,210 #7 Posted March 31, 2017 9 minutes ago, howell1000 said: where should i put the lube? Clean everything and lube the spline shaft with graphite. 4 Share this post Link to post Share on other sites
howell1000 35 #8 Posted March 31, 2017 (edited) It spins real fast then i can turn key then it acts like it stops one time it blew the fuse ?? And the power wire from the battery to solenoid gets pretty hot Edited March 31, 2017 by howell1000 Share this post Link to post Share on other sites
953 nut 65,210 #9 Posted March 31, 2017 Perhaps there is a loose connection which results in excessive current draw. Or, you could have a starter that needs to be rebuilt. 1 Share this post Link to post Share on other sites
Ed Kennell 45,732 #10 Posted April 1, 2017 Did it ever work when you installed the new starter? I'm thinking it may be misaligned and the flywheel is not allowing the starter Bendix to engage properly. Share this post Link to post Share on other sites
oldlineman 1,674 #11 Posted April 1, 2017 Just a thought is the motor locked up so that the starter can't turn it over, that would cause a very high current and blow fuse and heat up the conductor. Share this post Link to post Share on other sites
howell1000 35 #12 Posted April 1, 2017 I put starter on last summer mowed all summer with it started every time was inside all winter wint out today battery was dead went got a new one then all this stuff was going on i can turn flywheel Share this post Link to post Share on other sites
Ed Kennell 45,732 #13 Posted April 1, 2017 Ok, follow John and Richards advice. Clean and lube the Bendix spline and clean and tighten all the starter and battery connections. I would also check the starter mounting bolts. Share this post Link to post Share on other sites
howell1000 35 #14 Posted April 1, 2017 Ok thanks for all info Share this post Link to post Share on other sites
R. L. Addison 300 #15 Posted April 1, 2017 My son was fussing about his engine turning over slowly and pulling the battery down & we found broken magnets rubbing the armature. Removed broken piece & removed problem. Share this post Link to post Share on other sites
howell1000 35 #16 Posted April 1, 2017 Thanks guys for all the info Share this post Link to post Share on other sites
howell1000 35 #17 Posted April 1, 2017 Well took starter off put lube on checked magnets put back on made sure everything was tight and still will not engage fly wheel ?? any ideas ?? Share this post Link to post Share on other sites
pfrederi 20,257 #18 Posted April 1, 2017 Did you try the starter on the work bench?? Did the pinion gear shot out to the end of the shaft? Does it rt to engage (lots of grating noises but engine doesn't move) . Engines stop at the same spot most all the time (or maybe 180degrees out) the ring gear can become worn at that spot and there may not be enough teeth left to engage. Try moving the engine a bit by hand then try your starter again Share this post Link to post Share on other sites
howell1000 35 #19 Posted April 1, 2017 I took the cover off the fly wheel were I could see what it was doing when I turn key it would just spin Share this post Link to post Share on other sites
pfrederi 20,257 #20 Posted April 1, 2017 Pull it again. Check the threads the pinion rides on for any burrs. clean it and lube it again then on the bench hit with 12volts does the pinion shoot out to the end of the shaft?? It should fly out hard no hesitation Share this post Link to post Share on other sites
howell1000 35 #21 Posted April 1, 2017 I took it off and tried on bench it just spins Share this post Link to post Share on other sites
WH nut 553 #22 Posted April 1, 2017 42 minutes ago, howell1000 said: Well took starter off put lube on checked magnets put back on made sure everything was tight and still will not engage fly wheel ?? any ideas ?? Just a thought, is the battery hooked up correctly? Starter may be spinning backwards 1 Share this post Link to post Share on other sites
howell1000 35 #23 Posted April 1, 2017 I will check Share this post Link to post Share on other sites
pfrederi 20,257 #24 Posted April 1, 2017 With the the starter off the machine try turning the pinion gear clock wise (as you face it) It should turn easily and move out to the end of the shaft without the shaft it self turning...does it? when you release it does it go back on its own?? 1 Share this post Link to post Share on other sites
oldredrider 2,553 #25 Posted April 1, 2017 Buddy got a tractor at an auction. They claimed it ran. They put a new battery in and wouldn't start. Buddy picked it up cheap because it wouldn't start. They hooked battery terminals backwards. Duh! 1 Share this post Link to post Share on other sites