Rustyred 63 #1 Posted August 30, 2016 I'm new to this forum and to Wheel Horse's. My son turns 11 next week and needs a young man's present. Namely a tractor to fix up. What do you folks think of this thing for $250? The owner calls it a C-181. The label seems to say "C-161." He says it's a 12 hp twin 8 speed. Please help me out. A good purchase? Or not? 5 1 Share this post Link to post Share on other sites
MalMac 1,336 #2 Posted August 30, 2016 It's a C-161 and should have a 16hp in it. I know it was a short run production. I have not been around this model before. I am sure someone with more knowledge than I have will chime in here. There is a lot of knowledge on this site. If you get it I would suggest helping the young man use Red Square to get questions answered. It looks to be a nice tractor. 1 Share this post Link to post Share on other sites
rmaynard 17,101 #3 Posted August 30, 2016 See if you can find a label on the engine. The 1978 and 1979 C-161 Twin Cylinder should have a 16 HP Briggs & Stratton 401417. For $250 I would already have it on the trailer. 6 Share this post Link to post Share on other sites
WHX?? 56,030 #4 Posted August 30, 2016 what Bob said....No matter what it is looks to be a nice horse and a lot of good red steel for the money ... go get it, bet your boy will love it!!! Nothing like a good horse to teach a youngster proper vehicle handleing on. Once you get it home see if you can get those numbers off the engine or frame and we'll help you pin it down. BTW 2 Share this post Link to post Share on other sites
SPINJIM 1,996 #5 Posted August 30, 2016 (edited) Is that hood fiberglass or metal? Looks like fiberglass. The C-161 was made for one year with a fiberglass hood (1980?). After that, all of the 'black hoods' were metal. The engine looks like a Kohler, so it may have been replaced. Not sure if the rear fender is original. You really need some numbers off of the manufactuer's plate to know what it started life as. Any way, if the engine runs well, I'd grab it if the price is reasonable. Nice tractor. If it's a Kohler (17hp ?), check to see whether it's a Series II with the oil pump. The earlier series 1 had some problems with oil circulation. Good luck, Jim PS: I think I see an oil filter on the back of the engine, which would make it the better Series II engine. Also, check the plastic rear fender for cracks or repairs. For $250, I'd drive it first, and then buy it fast. Edited August 30, 2016 by SPINJIM added info 4 Share this post Link to post Share on other sites
TDF5G 2,073 #6 Posted August 30, 2016 That's a good price if it runs well. What an awesome gift for a 11 yr old. Go get it Dad! And remember after you bring 'er home, 1 Share this post Link to post Share on other sites
pfrederi 20,242 #7 Posted August 30, 2016 Looks like the original 2 cylinder briggs 16hp Kohler twins were not 16hp and none on WHs had oil filters. Haven't you bought it yet?? Made 1978 and 1979 3 Share this post Link to post Share on other sites
Racinbob 12,891 #8 Posted August 30, 2016 Nice birthday present! That's the first of the black hoods and unique because of the dash design. Like Paul said, made in 78 and 79. The single cylinders those years still used the earlier red hood. Share this post Link to post Share on other sites
Rustyred 63 #9 Posted August 30, 2016 I'm reassured seeing that you who know these machines like the look of what you see. I'll get the numbers and post them for comment tonight. I'm also wondering, when I look up the C-161, the pictures all show a different engine in them - looks like a 1 cylinder. Do you think the one I'm looking at is a cob-job? (a term my dad always used of work which someone had botched together) Because what I want is for my son to fix up a classic piece of original American quality... 1 Share this post Link to post Share on other sites
Racinbob 12,891 #10 Posted August 30, 2016 Those years they had four C-161's. C-161 8-speed C-161 Auto C-161 Twin 8-speed C-161 Twin Auto The first two were single cylinders 5 Share this post Link to post Share on other sites
953 nut 65,167 #11 Posted August 30, 2016 $ 250, I sure wish that was closer to me! 2 Share this post Link to post Share on other sites
DennisThornton 4,773 #12 Posted August 30, 2016 Whatever it is I'll take it for $250! 2 Share this post Link to post Share on other sites
pfrederi 20,242 #13 Posted August 30, 2016 1 hour ago, Rustyred said: I'm reassured seeing that you who know these machines like the look of what you see. I'll get the numbers and post them for comment tonight. I'm also wondering, when I look up the C-161, the pictures all show a different engine in them - looks like a 1 cylinder. Do you think the one I'm looking at is a cob-job? (a term my dad always used of work which someone had botched together) Because what I want is for my son to fix up a classic piece of original American quality... Not a cob job at all that is the way they came. A lot of people bad mouth B&S engines. B&S would build what the customer wanted. you want cheap throw aways they made them...but they also built excellent quality engines that are long lived. I have a Eclipse mower from the early 50s with a Brigs still runs great. 2 Share this post Link to post Share on other sites
cschannuth 3,821 #14 Posted August 30, 2016 1 hour ago, Racinbob said: Those years they had four C-161's. C-161 8-speed C-161 Auto C-161 Twin 8-speed C-161 Twin Auto The first two were single cylinders The twins had the fiberglass hoods to fit over the engine/mufflers. My '78 twin still runs perfect and has never had anything but regular maintenance. I'm not sure why mine has the metal rear seat pan instead of the plastic. 4 Share this post Link to post Share on other sites
WHX?? 56,030 #15 Posted August 30, 2016 2 hours ago, Rustyred said: Because what I want is for my son to fix up a classic piece of original American quality. You certainly get that with that tractor, and don't be afraid of a cob job ... you oughta see some of the stuff we drag home, Guess that's another (fun) part of our addtiction... undoing a PO's cobble! 2 Share this post Link to post Share on other sites
SPINJIM 1,996 #16 Posted August 30, 2016 (edited) I hope you've bought it by now. It's a great deal if it runs OK. pfrederi was correct. It is a 16 HP Briggs engine. If you do a search on this forum for a C-161, you will find some background on that model from February 2013. Here's a shortened version. In 1978 or 79, Wheel Horse was going to introduce a C-171 with a Kohler 17 twin engine and the square steel hood. But that is when Kohler was having problems with the 17 twin engines due to poor oil circulation. So Wheel Horse opted for a Briggs 16 HP twin instead, and called it a C-161. Problem was, the square steel hood that is used on the C-121 would not accommodate the larger Briggs engine. Their solution was to make a special fiberglass hood for the C-161, in the shape of the 'black hoods' that were to be introduced in 1980. They also used the plastic fender on that model. The C series with smaller engines still used the square steel hood and steel fender in 78 and 79. Your seller is probably confused about the horse power because that model is sometimes called a C-161-8 for the 8 speed trans. If I lived closer, I'd buy your tractor if you decided to turn it down. Right now, I'm trying to adapt a fiberglass hood to my C-120 so that I can customize it. I think it's a cool look, and certainly different than the other WHs of those years. The Briggs engine should be good if it was maintained regularly. Go get 'er. And let know the outcome ! Jim Edited August 31, 2016 by SPINJIM 1 Share this post Link to post Share on other sites
ohiofarmer 3,389 #17 Posted September 1, 2016 (edited) Briggs engine model numbers are generally stamped directly into the metal of the engine. I found one on the valve cover of a OHC twin model, for example. Read about it here.or watch the video.https://www.briggsandstratton.com/na/en_us/support/need-help/riding-mower-engines.html The fact that it is wheel Horse makes it easier to get parts from a , by golly, parts counter at a Toro dealer. If you buy a Briggs on an MTD, the counter men will not have access to their parts computer. His unsolicited rude comments about "you guys buying big box mowers and then expecting service" are icing on the cake, because you really are wasting his time and yours. it can still be done, but pretty much an internet search that might not be as easy. One thing you can do to find aftermarket parts that could save you some money is to put the OEM part number from Briggs into a search engine such as google. I got Two spark coils for my engine at 60% less than Briggs prices. Placing the OEM number of your engine can also hook you up to internet sellers. I tend to always go OEM on things like carb jet needles, but not so much on other things, depending on how hard the wrenching its to remove and install If you still get stumped, a parts house with phone support is much better than you getting an order wrong. I know that this is a bit of a ramble, but it sort of explains that a Wheel Horse at a good price is so much better than a newer model from a big box store. Edited September 1, 2016 by ohiofarmer Share this post Link to post Share on other sites
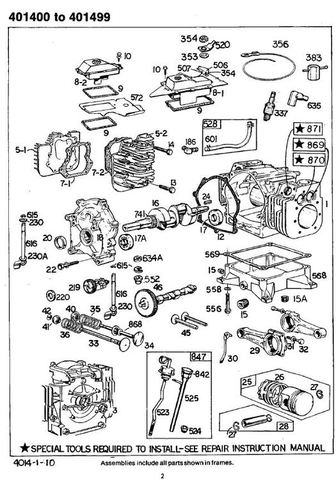
pfrederi 20,242 #18 Posted September 1, 2016 (edited) The model number of the engine should be 401417. I have the IPL for that motor. Ball bearings on the crankshaft Edit: Found out it is here as well http://www.wheelhorseforum.com/files/file/4153-engine-bs-16hp-hs-twin-401417-om-iplpdf/ Edited September 1, 2016 by pfrederi Share this post Link to post Share on other sites
Rustyred 63 #19 Posted September 1, 2016 Well gentlemen, all the information you've shared on this topic is very much appreciated and has helped me tremendously. When the purchase is final I'll be informing you and depending on some advice as my son and I proceed with the project. Again, thanks. Share this post Link to post Share on other sites
WHX?? 56,030 #20 Posted September 1, 2016 Your welcome Rusty... and don't forget the when you do get one! Share this post Link to post Share on other sites
Rustyred 63 #21 Posted September 7, 2016 I was about to buy this tractor, and now the owner tells me he actually hasn't had it running himself. He bought it 3 years ago to fix up but ran out of interest. The guy he bought it from told him it used to run. He never put a battery in and tried it. What do you guys think? Run the risk of buying it anyway? Or opt for a c-81 which also isn't predictable. Share this post Link to post Share on other sites
rmaynard 17,101 #22 Posted September 7, 2016 I would offer him less and see if he bites. If you can't get it running, you could part it out and get all your money back and maybe more. Share this post Link to post Share on other sites
Aldon 4,832 #23 Posted September 7, 2016 (edited) The Kohlers are a bit easier to get info on to support. Easier for parts too. And that fiberglass hood has unique headlight lens. Rare as frogs hair. I have one with hydro. It has been a love hate relationship and recently relegated to shed while I work on GT14's. While the C-161's are rare, it does not necessarily mean they are valuable. So keep that in mind as you consider your options. Supply vs DEMAND rules apply. There are a lot of kohler fans. Some B&S too just not as predominant. IMO Edited September 7, 2016 by Aldon Share this post Link to post Share on other sites
cschannuth 3,821 #24 Posted September 8, 2016 8 hours ago, Rustyred said: I was about to buy this tractor, and now the owner tells me he actually hasn't had it running himself. He bought it 3 years ago to fix up but ran out of interest. The guy he bought it from told him it used to run. He never put a battery in and tried it. What do you guys think? Run the risk of buying it anyway? Or opt for a c-81 which also isn't predictable. I probably just got lucky but my dad's 161 twin sat in his basement for 8 years. We pulled it out, serviced it, and put in a new battery and it started right up. Keep in mind though that my dad serviced it regularly and it still runs and looks almost like knew because he was so anal with it. Depending on how it was stored the last couple years and how it was treated before that, your results could be completely different. Craig Share this post Link to post Share on other sites