Jump to content
dwhitt

Needing Info on this Beaut

Recommended Posts

dwhitt

I just picked up this Charger 10 yesterday.  I just need to know any good information about it. Any help is greatly appreciated. 

1.jpg2.jpg3.jpg4.jpg

 

 

 

Edited by CasualObserver
flipped pics
  • Like 8

Share this post


Link to post
Share on other sites
 
AMC RULES

         :text-woo:

   It's Techy powered.

:WRS:

 

  • Like 3

Share this post


Link to post
Share on other sites
 
dwhitt

I've owned some a few C series that have been powered by Kohler. Which is a better engine Kohler or Tecumseh?

  • Like 1

Share this post


Link to post
Share on other sites
 
953 nut

:WRS:    Presuming the Tecumseh is in good condition it will serve you well. Here is a manual that should come in handy.

 

  • Like 1

Share this post


Link to post
Share on other sites
 
kasey54

Hi dwhitt and welcome!

 

The good news is your gonna love it! I picked one up earlier this year and she seems like a very worthy

machine. I'm by no means an expert on this tractor, what info are you after? Mine was bought right, as a non-running unit.

How ever after I changed the brushes in the starter, and replaced the oilite bushing in the bendix end of the starter she snapped to life just fine. Mine came with no attachments so I cant tell you how she actually performs. One of these days I'll get around to putting a mower deck on her. Mine has a Tecumseh engine, yours too?

Share this post


Link to post
Share on other sites
 
Ed Kennell
26 minutes ago, dwhitt said:

 Which is a better engine Kohler or Tecumseh?      You could be banned for asking a question like that.  :scared-yipes:

1942, buy war bonds, world war II, poster

 

  • Like 8

Share this post


Link to post
Share on other sites
 
kasey54

Well maybe not banned, lol. I prefer Kohler but it is becoming evident to me that the Tecumseh has earned it's respect as well.

  • Like 2

Share this post


Link to post
Share on other sites
 
Bert
1 hour ago, dwhitt said:

 Which is a better engine Kohler or Tecumseh?

Most folks don't care to admit it, but we all know they are both good engines. :ph34r:

 

  • Like 4

Share this post


Link to post
Share on other sites
 
KC9KAS

Share this post


Link to post
Share on other sites
 
Amcwheel85

Nice machine! I like both Kohler and techumseh but I will have to say Kohler is my favorite. My lil lawn ranger does fire up fast and run awesome and it's just a 6hp tecky...

Share this post


Link to post
Share on other sites
 
squonk
1 hour ago, Ed Kennell said:

1942, buy war bonds, world war II, poster

 

8111070642avatar.gif   138109241avatar.gif   107109581avatar.gif

  • Like 3

Share this post


Link to post
Share on other sites
 
ACman

The charger 10 in the stable starts every time, even dead of winter . No complaints here .

  • Like 1

Share this post


Link to post
Share on other sites
 
Tankman

Nice Horse! Be sure to enter the ugly seat contest.

 

I prefer Kohler but, the other engines are fine too.

Just keep up with the PM (preventative maintenance).

USMC, Camp Lejeune. NC. Motor Pool, PM every day or else! :handgestures-thumbupright:

  • Like 1

Share this post


Link to post
Share on other sites
 
ClassicTractorProfessor

I suppose both are good engines but in my experiences I'll take a Kohler over a Tecumseh any day. My old K301 on the 1277 fires right up with a slight bump of the key no matter what the weather is like...the little 8 HP Tecky on my wife's tractor is another story...always hard starting and if it's cold don't even think about it LOL but once you get it started it does run good as well

Share this post


Link to post
Share on other sites
 
Ed Kennell

I've reported this before, but since you asked the question, I'll repeat it....

My 1974  C-120   w/ a HH120 Techy  that I bought in 2000 was my first WH.   I used it for  all my mowing and snow blowing  for over 10 years, and it never failed to start and run perfectly.

I have never done anything to this engine except routine maintenance and it still runs perfect today.   :twocents-02cents:

   

 

  • Like 6

Share this post


Link to post
Share on other sites
 
rmaynard

Both good engines, but compared to the Kohler K241S, you will find fewer rebuild parts available for the Tecumseh HH100. There is quite the after-market for all things Kohler. Having said that, I don't have any Wheel Horses with Tecumseh's, but my leaf vacuum and snow blower both have them, and they run just fine.

Oh, I forgot my manners... :WRS:

Share this post


Link to post
Share on other sites
 
Retired Wrencher

:WRS:   dwhitt  Enjoy what ever you have.  If you do not like it flip it find some thing else. There many to be had. I am on  C/List and E-Bay every day looking I do not need anything but I like to look. It always hits you when you are not ready or you like it But do I have the room or the $$$. This is a great hobby that we have I never grow board with it.

Edited by T1257 RETIRED WRENCHER.

Share this post


Link to post
Share on other sites
 
Cole J.

Welcome to the forum, nice tractor I'm personally working on a charger 10 as well it has a kohler engine and for the time it ran it was a nice engine, ( it needs new rings) I don't have experience with tehcumsehs so i cant say which is better but i have always had luck with kohlers. I will be looking forward to see what you do. 

Share this post


Link to post
Share on other sites
 
CasualObserver

:WRS:  

Share this post


Link to post
Share on other sites
 
stevasaurus

The best engine is the one you have at the time!!!  Welcome to Red Square.  :)

  • Like 3

Share this post


Link to post
Share on other sites
 
dwhitt

Is the cover over the mule drive factory?

Share this post


Link to post
Share on other sites
 
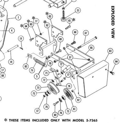
CasualObserver

Yes, it was the first version of the front tensioner. Pic as found in the 1969 mower 5-7365 manual

 

old style belt tensioner.JPG

 

  • Like 3

Share this post


Link to post
Share on other sites
 
CasualObserver

I found it more usefull like this though..... ;) 

weight rack.JPG

  • Like 2

Share this post


Link to post
Share on other sites
 
953 nut
1 hour ago, stevasaurus said:

The best engine is the one you have at the time!!!

Best engine is the one you have that is running well!       :handgestures-thumbupright:

  • Like 3

Share this post


Link to post
Share on other sites
 
dwhitt

Did you cut off the pulleys from the mule drive?

Share this post


Link to post
Share on other sites
 

Create an account or sign in to comment

You need to be a member in order to leave a comment

Create an account

Sign up for a new account in our community. It's easy!

Register a new account

Sign in

Already have an account? Sign in here.

Sign In Now

×
×
  • Create New...