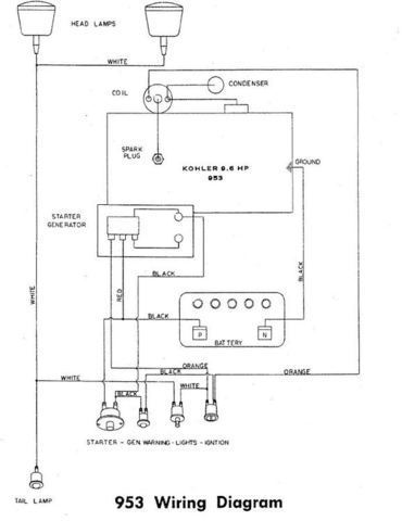
Indiana_Steve 125 #1 Posted April 29, 2016 Anyone have a wiring diagram for a 953? Share this post Link to post Share on other sites
953 nut 66,100 #2 Posted April 29, 2016 953 is my first name! Tractor 1963 953 OM IPL Wiring #123 (1).pdf Share this post Link to post Share on other sites
Indiana_Steve 125 #4 Posted April 29, 2016 Thanks guys. That will help. Share this post Link to post Share on other sites