Jump to content
diamondred

Onan Carburetor adjustable main jet

Recommended Posts

diamondred

I have a Wheel horse 518 auto with an Onan engine. Has anyone modified their carburetor to use an adjustable main jet? Or.. is there an adjustable jet kit available?

 

Thanks

 

Share this post


Link to post
Share on other sites
 
boomers_influence

diamond

 please list the 146-xxxx #  from the side of 

the carb, on the throttle side.

then i can tell you if yours will accept it.

WHY, do you want the adjustable main jet?

boomers_influence@yahoo.com    651 437 2826

thank you. boomer ( the used onan engine parts guy )

Share this post


Link to post
Share on other sites
 
diamondred

Its under a tarp right now with 5 inches of snow on it, and not gonna have a number anytime soon. I can tell ya its on a '88 518 auto, which is going to be converted to an 8 spd in the spring.  Winters are below zero and Summers are in the 90's.... I want to be able to adjust it.

Share this post


Link to post
Share on other sites
 
diamondred

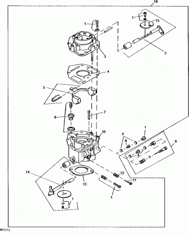
Well boomers, here's all the numbers available that are on the carb

 

 

also found this on the internet .... seems there was a kit available at one time (9)

 

 

 

post-12532-0-70652100-1425745242_thumb.j

post-12532-0-09484100-1425745255_thumb.j

post-12532-0-73903300-1425745370_thumb.g

Edited by diamondred

Share this post


Link to post
Share on other sites
 
diamondred

Ok,so I found the p/n for the jet kit I need. It is 146-0327. Which is #9 in the posting

Share this post


Link to post
Share on other sites
 
boomers_influence

diamond

i do stock that kit. ( 146-0327 )

WHAT, actually is the model and spec# of your engine?

i do have in two NOS carbs of the same # as yours.

they have the LARGE venturi, ( # 238 ) but a SMALL main jet ( # 127 )

usually a # 238 will be # 130 to 134 main jet.

please call 651 437 2826

thank you. boomer

Share this post


Link to post
Share on other sites
 
motodinosaur

do you still have any of those kits available

Share this post


Link to post
Share on other sites
 
boomers_influence

moto

i believe that i may have one yet.

these kits were mainly for gen sets in motor homes.

if they traveled across country it would come in handy.

because of elevations from below sea level to 6000 feet.

for the  average garden tractor they are NOT needed.

boomers_influence@yahoo.com

651 437 2826 M-F 10-7 S-S 12-6 cent time.

thank you. boomer ( the used onan engine parts guy, also NOS and new )

Share this post


Link to post
Share on other sites
 
motodinosaur

thanks boomer  i'll call you tomorrow I live in Sheridan Wyoming the tractor might go from 3900 feet to 6000 feet depending on job to get done

Share this post


Link to post
Share on other sites
 
boomers_influence

moto

i will need the 146-0xxx # from the

throttle shaft side of the carb.

they will not fit the later model carbs.

thank you. boomer

Share this post


Link to post
Share on other sites
 

Create an account or sign in to comment

You need to be a member in order to leave a comment

Create an account

Sign up for a new account in our community. It's easy!

Register a new account

Sign in

Already have an account? Sign in here.

Sign In Now

×
×
  • Create New...