SLW4220 3 #1 Posted September 20, 2014 Toro Wheel horse 520-H engine will not start Last week I serviced my 1993 520-H Toro Wheel Horse w/snow blower and since it had not been used since last April the battery required a jump to start. After running the engine and changing hydraulic oil, and filters I remove the battery to give access to change the throttle cable which had become corroded and was limiting the power available due to the sticking. Upon reinstalling battery the dash board and headlights worked, but nothing more then a single click when attempting to start the engine. Both the PTO and seat safety switches seem to be working. I have checked and changed all the fuses and have power at the starter. Seems like I am missing something simple, because this failure seems to be a result of this recent maintenance work..... Help Share this post Link to post Share on other sites
km3h 543 #2 Posted September 21, 2014 You may be getting 12 volts to the solenoid but not enough amperage. Run a jumper from the positive side of the battery directly to where the blue wire attaches to the solenoid. as soon as the jumper hits the solenoid post, it should attempt to start. If it does, you probably have a bad connection in the fuse block. Usually the 30 amp fuse is what feeds this circuit. Not entirely familiar with the 520 but the 400 series has this problem all the time. Share this post Link to post Share on other sites
Kurt-NEPA 756 #3 Posted September 21, 2014 My 520H did just about the same thing when I replaced the throttle cable assembly. Turned out that I had knocked the connector on the back of ignition switch loose. It looked OK, but came off easily when I pulled it. I cleaned up the connector and ignition switch posts and put the connector back on. The 520H started right up. Worth a try and costs nothing. Share this post Link to post Share on other sites
SLW4220 3 #4 Posted September 21, 2014 Kurt-Nepa 1. I loved you suggestion about the ignition switch and thought it was a possible, solution it was logical and simple. However after trying it there was no change in my situation. 2. I also tried the suggestion of km3h. I got the engine to crank over with a jumper from the fuse battery, then cleaned the fuse box and replaced with a new fuse. When I attempted to start the engine and turned the ignition switch I lost the dash board lights which now are off when I turn the key on. Seems I have added to my confusion. (question is km3h a ham radio call sign?) Share this post Link to post Share on other sites
km3h 543 #5 Posted September 21, 2014 Yes, km3h is my call sign. I will have to take a look at the circuit for your tractor to see if I can figure out what happened. When you say you ran a jumper from the fuse block, what exactly do you mean. My instructions were to jump from the battery to the solenoid. If you have the fuse block with four spaces in it there are three positions being used. On my 416-H tractors, that block is directly under the battery box. This allows moisture from the battery to leak down and into the fuse holder which eats the contacts inside the holder. At this time I am not sure what the other fuse go to as my books are in the garage but I will look after the football game today and get back to you. I suspect that when cleaning the fuse holder you shorted something else or blew another fuse feeding the lights. Share this post Link to post Share on other sites
SLW4220 3 #6 Posted September 21, 2014 km3h, My call sign is k7jop since 1958, although I haven't been active in the past few years. I jumped from the battery to the solenoid as you suggested. (I was a little brain dead when I wrote the previous communication) When the key is turned on, I get a brief flash of dash lights, then off. This happens if the machine has been sitting several hours, and only happens once. A second key turn produces no response from the dash lights (or of course the starter). In my fuse block, the first opening is blank with no fuse holder, the next three are 15, 20, 30 Amp. The 30 Amp was a little grungy and that was the one I cleaned. The fuse holder on my 520H is on the is to the right of the battery and out of the way, I haven't had much time today to experiment, due to other family obligations but will explore a bit more tomorrow. Thank you for you generous contribution of assistance in this matter. Share this post Link to post Share on other sites
km3h 543 #7 Posted September 21, 2014 The dash lights are warning lights that light or flash if something is wrong. Usually the oil light will light until oil pressure is built up. If you push the test button the lights should all light until you release that button. So unless I am misunderstanding what you have written, all is normal with the lights. Share this post Link to post Share on other sites
Geno 1,931 #8 Posted September 22, 2014 Isn't there another main feed fuse on the front of the engine right above the starter solenoid? Share this post Link to post Share on other sites
Theroundhousernr 590 #9 Posted September 22, 2014 That 30 amp fuse you are taking about is part of the main protection of the charge circuit. I believe that was the fuse km3h was referring to. Share this post Link to post Share on other sites
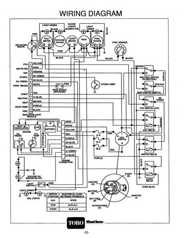
km3h 543 #10 Posted September 22, 2014 According to the schematic there are only three fuses on this tractor and they are contained in that fuse block everyone has trouble with. Share this post Link to post Share on other sites
Theroundhousernr 590 #11 Posted September 22, 2014 Which year because my 1988 has a small fuse holder in the wiring harness right above the starter and I have seen others also. I guess it depends on which year you are looking at... Share this post Link to post Share on other sites
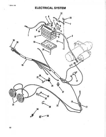
km3h 543 #12 Posted September 22, 2014 (edited) Sorry, I made an assumption and should not have done that. I was looking at a later date than yours. This shows up as part number 22 and 25 in the diagram and is a 30 amp fuse. It picks up 12 volts from the B+ at the starter and carries it back to the white nine pin connector. In this second drawing there is no mention of that fuse. Probably because it is on the other side of the connector number 54. I will try to find another drawing and schematic to show where and what this goes to. Edited September 22, 2014 by km3h Share this post Link to post Share on other sites
km3h 543 #13 Posted September 22, 2014 http://www.toro.com/en-us/parts/Pages/PartsDetails.aspx?mybeid=2550&serialNumber=None&modelNumber=31-20OE01&searchTerm=9lzIRv+p5zfjhqnr7GlYG2lN4jP0EIgTvHcmG3IwyD2zA8fhm+sHbNVrug4VzS5aL0mDkIx7eWU=&defaultTab=parts If you go here you can download the parts manual with the schematic and other diagrams for your tractor. Share this post Link to post Share on other sites
SLW4220 3 #14 Posted September 22, 2014 Thanks km3h, I have been to the website for parts before, however drawings you are showing must be for another year or version. I have a 1993 Model 73401 Ser.# 3902160 and there are only the 3 fuses in the fuse block, and none that I can find on the drawing, or my 520-H. Since my last post I have pulled off the fuse block thinking I would replace it, (what a pain to get the lock nuts off the bottom with no room for a wrench) but the wiring looks like it may be attached permanently and be replaced as a unit, so I haven't gone any further, since that is not a job I want to get into unless necessary, and the block and contacts look ok. A new question: There is a connector that was loose behind the battery with blue, brown, purple wires which would seem to be part of the seat safety switch, the leads are only about 4 inches long with nothing in sight within reach to plug it into. Perhaps this wiring harness could be used for another setup? So after working on most of today I don't feel like I have made much progress in resolving the no start problem. I have no response when I turn on the key not even the click and brief flash of the dash lights that occurred before. Feels like I've been chasing myself in circles, rather then trouble shooting. Share this post Link to post Share on other sites
Geno 1,931 #15 Posted September 22, 2014 Sorry but we all forgot something - One more thing to check, in the pic above, the drawing with the battery shown, check the wires going into the connector #29 and in its mating side also. These are very troublesome in these tractors. The wires break right at the connector. Share this post Link to post Share on other sites
km3h 543 #16 Posted September 23, 2014 (edited) Here are the files directly from Toro for the 1993 520-H I have a complete wiring harness for a 1997 520-H out in the garage. Tomorrow, I will have the time to go out and check to see what harness you are talking about. Don't give up the ship. Everything you do is a learning experience and each time you try something you eliminate that as the problem. Edited September 23, 2014 by km3h Share this post Link to post Share on other sites
SLW4220 3 #17 Posted September 23, 2014 I tested the power side of the fuse block with a multi meter and have 12 volts on both the 30 Amp and 20Amp fuses receptacles but get no reliable reading on the 15 Amp which connects to the switch. (Just some mA dancing randomly on the meter which I assume is a result of the wires connected to from the fuse receptacles the switch terminal.) Seems line the switch may have failed, I won't have time to check that until this afternoon. What else do you think might be causing this issue. Share this post Link to post Share on other sites
SLW4220 3 #18 Posted September 23, 2014 The switch checks out ok. I am getting a little fuzzy headed and thought I would go back last place I found life in this machine and run a jumper from the positive side of the battery directly to where the blue wire attaches to the solenoid, as soon as the jumper hits the solenoid post, it should attempt to start, but no sign of life and of course the fuse block is dead as well. So I seem to be back to where I began this conversation. Actually I'm behind, since last time I I tried I did get a response from the starter. To make matters worse the 520-H is sitting behind my Ferris 60" zero turn mower, blocking access out of this bay of my garage and I have 3 Ac of lawn that keeps growing. Share this post Link to post Share on other sites
km3h 543 #19 Posted September 23, 2014 On your engine there should be a blue wire that goes to the solenoid and supplies 12 volts when the key is actuated. If you apply a jumper wire directly from the positive side of the battery where the blue wire goes on the solenoid, the solenoid should engage the starter. If this does not engage the starter, you may have a bad solenoid. Do you hear it clicking at all? What happens if you bypass the solenoid? Does the starter engage the flywheel? Share this post Link to post Share on other sites
km3h 543 #20 Posted September 23, 2014 If you have voltage on one side of that 15 Amp fuse, but no voltage on the other side, either you have a blown fuse or the fuse block is contaminated. I have had to make this repair on two different tractors, both of which had less than 550 hours on them. It is a common problem and working around it is a bad idea. The easiest way to fix it is to move the engine forward which lets you get into places you would not be able to without a lot of scratches on your hands. You can buy a new fuse block at Del City including the inserts for less than $5.00. I am working in the blind here as I have not as yet torn into my 520 but except for the gages they are pretty much like the 416-H of which I have three. Share this post Link to post Share on other sites
km3h 543 #21 Posted September 23, 2014 Sorry but we all forgot something - One more thing to check, in the pic above, the drawing with the battery shown, check the wires going into the connector #29 and in its mating side also. These are very troublesome in these tractors. The wires break right at the connector. Yes that connector is easily contaminated and the wires get brittle from heat. To make matters worse, this is a critical connector to the operation of most of the circuits of the tractor. Share this post Link to post Share on other sites
Geno 1,931 #22 Posted September 23, 2014 Don't forget to check the grounds too. 1 Share this post Link to post Share on other sites
SLW4220 3 #23 Posted September 24, 2014 Here is a summary as of 9:20 PM EST What's working (now that the ground is connected (which was not in my previous report) 1. I can engage the starter with a direct jump from the battery to the solenoid. 2. I do have 12.5 volts at the first two fuse locations (30 and 20 Amp) they are connected. The third fuse 15 Amp has no power. 3. I have tested the key switch with a multi-meter and it checks out ok, and I have power at the key switch. Some thoughts Reviewing the schematic the power comes from 25 Amp fuse thru the key switch and back through the 15Amp fuse to the lighting system. So there is no power at that fuse (15 Amp) unless the key turned on. And, I not currently getting power with the key turned on, a concern but would not prevent the machine starting only the lighting circuit. To be continued Share this post Link to post Share on other sites
km3h 543 #24 Posted September 24, 2014 I think you are confused. The 25 and 30 Amp fuses are conjoined inside the fuse block. According to the schematic, when the key is on, 12 volts should pass through the accessory pin on the switch directly to the 15 Amp fuse and then to the light switch and on to the lights. If you are not getting 12 volts to the fuse, you may have a dirty contact in the connector at the key switch, or the switch itself may be faulty. Share this post Link to post Share on other sites
Geno 1,931 #25 Posted September 24, 2014 Check the tan wires (2 of them joined) at the ign switch for voltage when the key is in the start position. Should light a test light bright or be battery voltage in the start position. Share this post Link to post Share on other sites