Hodge71 691 #1 Posted August 16, 2014 Well I was able to get the 416 to the house and started on the rest today. This one is going to be my Dad's new tractor. Its a 1996 416-H. Its already got its issues. I can't get it to even try to start, leaks oil like a sieve from the drain pipe. dirty as a mother. It looks like every bird in a 100 mile radius sat on it at some point over the last couple years in the barn. I see some wiring issues already. Wires missing from the hour meter and one I dont know where it goes... Got a start on replacing the Molex connector with male/female insulated sta-kons today once I couldn't get it to fire. Battery has on the charger for a couple hours and is holding 13.8 volts. We'll see how long it holds out. Got some different ideas on this one. Im going to have custom decals done that say 50th Anniversary Special Edition in the same script as the 60th anniversary ones on the 2007 315 Classic GT. Probably a big one on the hood only and maybe smaller on the center, rear fender pan. LED lights for the back, possibly for the front. Going to remove the factory manual PTO and see if I can adapt one of the electric clutches I have to the Onan. Some odds n ends here and there. Lil guy is helping me on this one. Its also going to be the first tractor I do base coat/clear coat with a spray gun instead of bombs. I hope it comes out better..... It should truly be unique for my Dad. His 12 auto is just about ready to be retired, She's almost dead..... And so it begins..... 3 Share this post Link to post Share on other sites
Desko 645 #2 Posted August 16, 2014 I just got a 416h also and well at least yours has a good motor lol yours looks great and the tires hold air that's a plus as you've guessed mines the complete opposite other than the paint and sheet metal. Will be following this thread. 1 Share this post Link to post Share on other sites
Geno 1,931 #3 Posted August 16, 2014 (edited) First thing we do here is pressure wash it to death, it makes you feel better about what your working toward cause it looks better. You gotta use psychology on yourself. After this one looks like new then it's time to start on Dad's old one! Edited August 16, 2014 by Geno 2 Share this post Link to post Share on other sites
953 nut 65,695 #4 Posted August 16, 2014 First thing we do here is pressure wash it to death, it makes you feel better about what your working toward cause it looks better. You gotta use psychology on yourself. After this one looks like new then it's time to start on Dad's old one! Just keep the pressure washer away from the electrical system. 2 Share this post Link to post Share on other sites
Hodge71 691 #5 Posted August 17, 2014 Just keep the pressure washer away from the electrical system. Meh...I have pressure washed tractors before and never had anything really bad happen. Only once have I ever needed to break out the WD-40 to displace some water on plug wires. As long as you dont put 3000 psi right to the wires or connectors its fine. Share this post Link to post Share on other sites
JimD 3,347 #6 Posted August 17, 2014 Hodge, looking forward to seeing the transformation. (check back in on the football thread) Share this post Link to post Share on other sites
Geno 1,931 #7 Posted August 17, 2014 Meh...I have pressure washed tractors before and never had anything really bad happen. Only once have I ever needed to break out the WD-40 to displace some water on plug wires. As long as you dont put 3000 psi right to the wires or connectors its fine. I haven't had much problem either, I figured they were made to stand the weather, especailly water. I've pressure washed Dad's 414 hard in every nook and cranny every fall for 20 years now and never touched it. Share this post Link to post Share on other sites
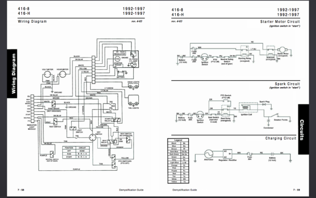
Hodge71 691 #8 Posted August 17, 2014 Anyone know where this pink wire goes and also if the empty terminal on the back of my hour meter is where the ground goes or should it be empty? It looks as if something was on there at one point.... Share this post Link to post Share on other sites
Martin 2,133 #9 Posted August 17, 2014 (edited) pink wire connects to the A terminal on the ignition switch after it runs up to the light indicator module. this wire also connects to the light switch. the other terminal on the hour meter runs back to the oil pressure switch, this is a black wire. looking forward to seeing how this one turns out. i know from some of your comments in the past that you haven't been a fan of the Onan engines, hopefully this one can change that.... they really are a great engine with some patience and tlc........ and some good luck thrown in as well. edit. heres some wiring info for you. (from the demystification manual....) Edited August 17, 2014 by Martin 1 Share this post Link to post Share on other sites
Hodge71 691 #10 Posted August 17, 2014 pink wire connects to the A terminal on the ignition switch after it runs up to the light indicator module. this wire also connects to the light switch. the other terminal on the hour meter runs back to the oil pressure switch, this is a black wire. looking forward to seeing how this one turns out. i know from some of your comments in the past that you haven't been a fan of the Onan engines, hopefully this one can change that.... they really are a great engine with some patience and tlc........ and some good luck thrown in as well. edit. heres some wiring info for you. (from the demystification manual....) Screen Shot 2014-08-17 at 10.24.42 AM.png Thanks for the info Martin. I have that wiring diagram now but couldn't be sure until your post. As far as liking Onans...you're right, they're not my favorite engine in any way shape or form. I would have been a lot happier finding my Dad a 418. But this thing is in super shape even though it was so dirty. I replaced that molex connector today and she fired right up once fuel got to the bowl. I still think a Kohler 16 sounds better..... 1 Share this post Link to post Share on other sites
546cowboy 302 #11 Posted August 17, 2014 A Kohler sounds better?? Did you have ear muffs on? Nothing sounds better than an Onan when it's right. Of course I've only had two Onan 16's since I' ve always been partial to the 20"s. 2 Share this post Link to post Share on other sites
Pocketraisins 11 #12 Posted August 18, 2014 (edited) "It looks like every bird in a 100 mile radius sat on it at some point over the last couple years in the barn." Nah...You should have seen the poop on my 416-H. You couldn't tell it was even red except a few spots on the edge and underside. I cant wait for the rebuild. Looks like you got a good start. Keep on keepin on! Edited August 18, 2014 by Pocketraisins Share this post Link to post Share on other sites
Hodge71 691 #13 Posted August 18, 2014 A Kohler sounds better?? Did you have ear muffs on? Nothing sounds better than an Onan when it's right. Of course I've only had two Onan 16's since I' ve always been partial to the 20"s. Your opinion. I dont hold them in the same high regard and I know theres plenty more on here that feel the same wayabout Onans. To me they sound like a sick bee. A Kohler "Thumper" is what I like and always will like. If I had my druthers and more time thats what Pop would have for his tractor. Unfortunately I don't, and finding a decent C-165 or 175 was next to impossible. I searched for months to find a running one with a decent body. I found a 418 2 weeks ago but it was rough and I had this already. To me Onans are gas hoggin bumblebees but I'm going to give this one a chance mostly because I wont be using it that often. Maybe I can get lucky and find a blackhood 165 or 175 and redo that over the winter. Then I can sell this 416 next year..... Share this post Link to post Share on other sites
Hodge71 691 #14 Posted August 18, 2014 (edited) A little more progress...... Fired right up after I cut out that Molex connector and installed my own version of quick disconnects.....Runs, drives...although reverse is faster than forward..... I guess that is the next thing to figure out.... I don't want to mow in reverse...lol More to come tonight I hope!! Edited August 18, 2014 by hodge71 1 Share this post Link to post Share on other sites
Hodge71 691 #15 Posted August 19, 2014 (edited) Still haven't figured out why Im doing 10 mph in reverse and half that going forward but I was throwing the idea of painting the entire bottom of the tractor black. Transmission, frame, steering, front axle etc. Even the mid tach a matic....the Onan will be black as well......then only painting the tins and hood in red, with the traditional flat black wrap around stripe for the grill. Wheels in wrinkle pewter metallic and the wheel weights will be black...any input guys? Edited August 19, 2014 by hodge71 Share this post Link to post Share on other sites
motox25 36 #16 Posted August 19, 2014 Mine travels faster in reverse as well and tends to creep forward in "neutral", I think the issue has to do with the linkage being out of adjustment. The Eaton hydro manual has a process for adjusting the motion control which I believe will fix the problem. Am very interested in seeing how yours turns out, I think more black in the color scheme would look nice. 1 Share this post Link to post Share on other sites
Martin 2,133 #17 Posted August 19, 2014 the reverse faster problem is in the adjustment. there is a few threads here on how to fine tune the hydro direction control. 1 Share this post Link to post Share on other sites
JERSEYHAWG / Glenn 4,570 #18 Posted August 19, 2014 Jeff, lookin good, nice start. Glenn Share this post Link to post Share on other sites
Hodge71 691 #19 Posted August 25, 2014 (edited) Anybody have any input as to a good decent priced spray gun to paint this tractor? Its my first attempt at painting with a real gun and nit spray bombs. Money is tight and $100+ in spray bombs vs $30 for paint and hardener is a no brainer to me. Techniques to help a newbie painter are appreciated as well Edited August 25, 2014 by hodge71 Share this post Link to post Share on other sites
312Hydro 474 #20 Posted August 27, 2014 Anybody have any input as to a good decent priced spray gun to paint this tractor? Its my first attempt at painting with a real gun and nit spray bombs. Money is tight and $100+ in spray bombs vs $30 for paint and hardener is a no brainer to me. Techniques to help a newbie painter are appreciated as well Harbor freight has the inexpensive HVLP guns,. I tried them,work fine. Share this post Link to post Share on other sites
Hodge71 691 #21 Posted August 27, 2014 Harbor freight has the inexpensive HVLP guns,. I tried them,work fine. Thanks Rich. Im going to order a couple tonight. I got the manual clutch removed tonight and the electric one fitted up to the Onan. Looks like the chassis black will be flowing soon!! Share this post Link to post Share on other sites
Geno 1,931 #22 Posted August 27, 2014 If these fit in your budget they are fantastic. They will last you a lifetime and come with primer, base, and clearcoat tips. http://www.amazon.com/dp/B000KSTFJO/ref=asc_df_B000KSTFJO3288532?smid=ATVPDKIKX0DER&tag=pg-844-95-20&linkCode=df0&creative=395097&creativeASIN=B000KSTFJO Share this post Link to post Share on other sites
Jparkes43 329 #23 Posted August 28, 2014 thats an awesome tractor Share this post Link to post Share on other sites
Trouty56 568 #24 Posted August 29, 2014 Still haven't figured out why Im doing 10 mph in reverse and half that going forward but I was throwing the idea of painting the entire bottom of the tractor black. Transmission, frame, steering, front axle etc. Even the mid tach a matic....the Onan will be black as well......then only painting the tins and hood in red, with the traditional flat black wrap around stripe for the grill. Wheels in wrinkle pewter metallic and the wheel weights will be black...any input guys? Jeff...for me on my eaton the brake pedal does not come back the whole way and until I put my heel on it and pull it back forward does not have its full potential. I know I have to correct this with possibly a better spring but I thought I would mention it to you in case that is the problem..... Share this post Link to post Share on other sites
Hodge71 691 #25 Posted September 1, 2014 (edited) Well guys the most progress in 2 weeks of working. I labored for most of labor day to get it stripped pretty well down to whats going to be painted black. I have another foot rest to get off and degrease and pressure wash it tomorrow after work. Here the pics of todays progress.... After taking 4 days to dry, the Rustoleum was good enough o fit the electric clutch to the Onan and see where things fall. Looks like direct bolt on other than the Onan crank not being tapped for a 7/16 UNF bolt. Appears to be 3/8- 16 left hand thread Edited September 2, 2014 by hodge71 Share this post Link to post Share on other sites