artfull dodger 440 #1 Posted January 8, 2013 I wanted to start a thread on the coming restoration of my 518h. I plan to have custom hood decals done that add the word "Special" to it as it will have a Eaton 1100 pump/rear end swap done in the process of being restored. I will also refresh the Onan while its appart, I could repower but I absolutly love the throaty roar of the Onan engines. Here are some pics of the tractor, the condition of the hood and the near new snowblade that needs the angle control lever. Mike 1 Share this post Link to post Share on other sites
TT-(Moderator) 1,170 #2 Posted January 9, 2013 I'm sure already aware that the 518-H "Europa" (export models) had the 1100 Eaton unit & hydro lift. Looks like you have a decent machine to work with. :handgestures-thumbup: Share this post Link to post Share on other sites
Sparky-(Admin) 24,991 #3 Posted January 9, 2013 Maybe its my lousy eyes but that "near new" snowblade looks like its had the cutting edge worn right down to the limit. I would flip it (if it can be) or replace it before it starts wearing the actual plow blade away . Mike............. 2 Share this post Link to post Share on other sites
HorseFixer 2,014 #4 Posted January 9, 2013 I will also refresh the Onan while its appart, I could repower but I absolutly love the throaty roar of the Onan engines. Sing it Brother Sing it! The only thing that sounds better than a P218G is a P220G Cheers ~Duke Share this post Link to post Share on other sites
artfull dodger 440 #5 Posted January 9, 2013 Just the angle of the photo, the blade edge has little to no wear actualy. I will be picking up some parts tomorrow, the upgrade rear end, front hub caps to match the rears I have stored in the house for the moment, a steering wheel cap, rear axle bracket for the snowblade so I can use it when it snows again. Mower deck will head off to the welding shop in a month or so to patch a couple of thin spots and stress cracks on the backside where the brackets mount. I took the wire wheel on the drill to the flaking hood paint. Cant find my sanding block at the moment. Was gonna try and sand smooth and spot prime the hood when it warms up to almost 60 this coming weekend, keep the rust at bay till summer painting season. Mike Share this post Link to post Share on other sites
312Hydro 474 #6 Posted January 9, 2013 Great project and I'm sure it will be looking great when your finished! Keep posting those pictures! :handgestures-thumbupright: :popcorn: Share this post Link to post Share on other sites
artfull dodger 440 #7 Posted January 9, 2013 Thats the plan. I guess I could call it 518hd for heavy duty since it will get the better rear end for plow day duty. I may put the deck back under it and let it run at full power for an hour to see if the oil control rings will seat up and stop some of the smoking issue. Gonna degrease the crankcase and frame better tomorrow with the power washer. The oil leaks left a mess on the bottom half of the block. Mike Share this post Link to post Share on other sites
855ownerJoel 32 #8 Posted January 9, 2013 Just the angle of the photo, the blade edge has little to no wear actualy. I will be picking up some parts tomorrow, the upgrade rear end, front hub caps to match the rears I have stored in the house for the moment, a steering wheel cap, rear axle bracket for the snowblade so I can use it when it snows again. Mower deck will head off to the welding shop in a month or so to patch a couple of thin spots and stress cracks on the backside where the brackets mount. I took the wire wheel on the drill to the flaking hood paint. Cant find my sanding block at the moment. Was gonna try and sand smooth and spot prime the hood when it warms up to almost 60 this coming weekend, keep the rust at bay till summer painting season. Mike Only bad thing about winter, I need to paint, heat up the shop again........ Share this post Link to post Share on other sites
Jake Kuhn 1,599 #9 Posted January 9, 2013 Looks like a great tractor to start a project on, can't wait to see some progress on it! Share this post Link to post Share on other sites
artfull dodger 440 #10 Posted January 9, 2013 Made the trip to Plymouth, IN today to pick up parts, Picked up the remains of a 500 series to salvage the 1100 series rear end and hydro lift to put on the 518hd, a nice pair of front hubcaps, a cap for the steering wheel and the rear axle bracket for the snowblade. My buddy got to see lots of round hood WH's and got some good ribbing on his green machines. Not sure when I will start splitting the 518 to swap rear ends, wish we had another RS member here in Kokomo that could come over and lend a helping hand in swapping in the hyd lift and rear end change. Cheers Mike Share this post Link to post Share on other sites
Callen 64 #11 Posted January 10, 2013 If you got the hoodstand with that parts tractor, you may be better off to change the lower part with the hydraulics already attached and plummed. Share this post Link to post Share on other sites
artfull dodger 440 #12 Posted January 10, 2013 Yepper, I got that and thats what I am thinking as well from the quick look I gave it. The dash, steering wheel are already gone, just the uprights with the control valve, which looks to be leaking, so its up to the dealer for new O rings for the valve slide. Gonna be warm the next few days, SO, I will work on stripping out what I need from the donor. The frame and rest of the remains goes back to him at Mentone or whenever we cross paths again. Need to get into a position to get it done in a day or two incase mother nature decides to dump more white stuff on us. Still need the lever for the snowblade's angle control. Mike Share this post Link to post Share on other sites
kpinnc 17,859 #13 Posted January 10, 2013 I'm sure already aware that the 518-H "Europa" (export models) had the 1100 Eaton unit & hydro lift. I've done the same conversion, and I asked Terry (Vinylguy) to make the "Europa" decals for it as well. Per the manual ONLY, Wheel Horse refers to this non-domestic machine as the 518-H/E. I've never seen anywhere else on the tractor or any other documentation that it is called anything but 518-H. Ian (Stigian) actually has an all-original version, and he was kind enough to give me some great pictures of the couple decals that were different from the domestic 518-H. The only other differences that I have found are the model and serial number range itself. Not trying to tell you what to do with your machine- just letting you know the decals are available. Personally, I prefer a bit of modification on all my machines, so I can appreciate making YOUR tractor the way YOU want it. I look forward to your build progress. Maybe it will motivate me to finish mine. I'm ashamed to say it's been sitting on the stand for two years, and all it's waiting on is the hood and fender's last coat of paint: Share this post Link to post Share on other sites
artfull dodger 440 #14 Posted January 10, 2013 Neat info on the "europa" model of the 518. I really like the tires on the rear of your 518h on the stand. I will be in the market for new rear tires as both of mine are dry rotted and only hold air for a couple days. Are those the All Trails or the Field Trax? Mike Share this post Link to post Share on other sites
Kelly 1,038 #15 Posted January 10, 2013 I have a pair of the same tires new take offs, they are 23x10.5x12 if your in the market?? and Kevin you need to get that done, your so close. Share this post Link to post Share on other sites
artfull dodger 440 #16 Posted January 10, 2013 I wish I had the money for them Kelly, having to keep filling up the tires gets old fast. Been out of work for awhile now, very hard to find work here right now. I am in school for auto/diesel mechanics, just not far along enough yet to get in anywhere as an entry level tech yet. Another month or two and the lawn and garden shops will start hiring for the spring rush, so I hope to get on somewhere then. Mike Share this post Link to post Share on other sites
artfull dodger 440 #17 Posted January 10, 2013 I got all the stuff pulled(I think) from the donor chassis to swap in the new rear end and hyd lift. Do I need to swap the rockshaft? I havent torn into my 518 yet to see whats behind the foot rest on the left side where most of the hydro lift stuff mounts. I am mounting the control valve to the bottom of my battery tray, the one in the donor is severely pitted with rust. Just have to change the handle panel on that side for the lift lever itself. Trying to do this with the minimal tear down of my tractor as I need it operational right now. Wish I had another pair of hands, espicaly for installing the new rear end. Mike Share this post Link to post Share on other sites
TT-(Moderator) 1,170 #18 Posted January 10, 2013 The shaft is part of the lift lever on your 518 and it has to come out of the bellcrank so you can swap in the hydraulic lift lever shaft. Share this post Link to post Share on other sites
artfull dodger 440 #19 Posted January 10, 2013 I am trying to pull the rock shaft on the donor chassis, got one more large hitch pin clip to remove, it moves but wont pull out. How does the rock shaft come out? The crank lever that goes to the lift cylinder is welded to the shaft, and I dont see how to remove the lift arm from inbetween the frame panels. I have the E clip pulled off the rock shaft on the right side, so it slides toward the cylinder side. If that center arm comes loose, then it will just slide out. Unless there is a roll pin that I cannot see yet till I get that hitch pin clip out and can rotate the shaft further around. I hope I dont need to reuse the one (black part) of the frame riser, its all rotted out. Mike Share this post Link to post Share on other sites
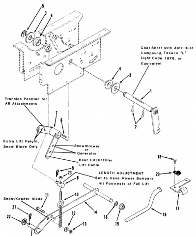
TT-(Moderator) 1,170 #20 Posted January 10, 2013 I sent you a PM..... Maybe I can talk you through it. This might help too: Share this post Link to post Share on other sites
artfull dodger 440 #21 Posted January 10, 2013 Thank you Terry, I just did the bypass for the lift for now, the rear end is installed in the 518 now. I have the rockshaft and half the lower dash panel off the donor tractor, but its gonna take a torch to get it freed up, same with the 518's rock shaft. SO, I will need someone near by that has a proper torch to assist before I can convert over to hyd lift. My thoughts are this, get the hyd lift rock shaft heated and taken appart, then take my sawzall and cut the manual rock shaft if I can get the saw in there with the access panels removed. I think 1 good cut between the frame and the center arm on the left side will allow both pieces to be removed. Mike Share this post Link to post Share on other sites
artfull dodger 440 #22 Posted January 11, 2013 Here is a pic, she is all back together again. Still manual lift till I get someone to heat up the hydro rock shaft and get the two pieces to come appart. Not shown in the picture, but I have the snowblade installed now incase it decides to snow this week. Cheers Mike Share this post Link to post Share on other sites
dw753 216 #23 Posted January 13, 2013 Love it!!!! Glad she is all coming together Mike!!!! Share this post Link to post Share on other sites
JoeM 9,766 #24 Posted January 13, 2013 Cool, Ilike working machines myself too! I am not much of a parade guy. That onan sound is awesome. My Onan problem is the fuel tank being to small. Good work looking forward to more. Share this post Link to post Share on other sites
wh-jason 33 #25 Posted January 16, 2013 I just seen your 518 on Craigslist. Why are you trying to get rid of it already? Just curious. Share this post Link to post Share on other sites