jld 4 #1 Posted September 12, 2024 I have a Toro Wheel Horse 212-H with an Onan E125V-N/10964B engine fitted with a Toro Power Plus carburetor. I am having difficulty starting the engine after normal operation and shutting down a day or so earlier. It then requires quite a bit of cranking before it will fire and start. I am getting spark at the plug while cranking and there are no other electrical faults. Once running, the engine runs strong and consistently restarts immediately after shutdown or within a few hours. I have adjusted the carburetor and choke multiple times according to the instructions found in my original service manual as well as those listed in the Onan engine manual (the instruction differ somewhat between the two), but the issue always reoccurs. I have removed the bowl, float valve/float, idle screw, low speed mixture screw, etc. but found the inside of the carburetor including the main jet to be in pristine condition with no residue or deposits. Regardless, I have run carb cleaner through all accessible areas and ports. The only section I cannot access without removing all the support bracketry and carburetor from the engine is on top of the carburetor and covered by a metal plate and gasket and houses what is referred to as the “slow jet”. I don’t know if this component could be causing the problem because I don’t know how this particular carburetor actually functions and do not want to go through all the effort of removing everything without having a better handle on the function of this component. l have rebuilt many carburetors, but am not sure how this carburetor draws fuel into the engine, because there does not appear to be any internal pump diaphragm or external fuel pump. I can only assume fuel is drawn in by engine vacuum on each pulse and perhaps that regulates the opening and closing of the "slow" jet that may not be seating properly and allowing fuel to drain back down into the bowl after an extended idle time. I did not see any indication that there is a check valve on this carburetor. I have included a parts diagram of what I believe to be is my carburetor and I’m hoping the someone can offer a solution to my starting problem and an explanation as to how this carburetor actually works. Thanks Share this post Link to post Share on other sites
Ed Kennell 45,765 #2 Posted September 13, 2024 Install a marine primer bulb between the fuel tank and fuel pump. https://www.amazon.com/Attwood-93516LP7-Universal-High-Output-Certified/dp/B00546EOAM/ref=asc_df_B00546EOAM?tag=bingshoppinga-20&linkCode=df0&hvadid=80333123589147&hvnetw=o&hvqmt=e&hvbmt=be&hvdev=c&hvlocint=&hvlocphy=&hvtargid=pla-4583932699771448&th=1 2 Share this post Link to post Share on other sites
jld 4 #3 Posted September 13, 2024 Hi Ed, trying to understand your logic for the primer bulb. I already have unrestricted fuel flow to the carb. The float bowl is full and the float valve needle fully is seated thereby preventing any additional fuel from entering the carb. Do you know how this particular carb works (or where I can get some information about it and the function of the "slow jet" ? Thanks for responding. Jan Share this post Link to post Share on other sites
Ed Kennell 45,765 #4 Posted September 13, 2024 (edited) Hard starting after sitting for an extended period of time is a common problem with engines when the fuel tank is located below the fuel pump. If the two check valves in the fuel pump are not drop tight, over time the fuel leaks back into the fuel tank leaving the fuel pump dry. Dry pumps require a long crank time to reprime the pump. A couple squeezes of a primer bulb located below the fuel tank will instantly reprime the fuel pump. If you have a good fuel supply into the carb and it still does not start, yes, you have another problem. I am not familiar with these carbs. Some have a fuel shut off valve that may not be functioning properly. Edited September 13, 2024 by Ed Kennell 2 Share this post Link to post Share on other sites
WHX?? 56,109 #5 Posted September 13, 2024 1 hour ago, Ed Kennell said: fuel tank is located below the fuel pump Vertical Ed Dog... I believe the tank is above and behind the dash. Was on the 244H I have anyway. Not sure f there is a even a pump might just be gravity fed??? Should be one tho. Does a shot of sniffin salts get her roaring? Did you happen to look in the files to see if there is a manual for this motor? 2 1 Share this post Link to post Share on other sites
WHX?? 56,109 #6 Posted September 13, 2024 (edited) Here jld see if there is anything in here. You may have gotten your pic out of here so you may have it. 492-4714 Onan E125V & E140V SM.pdf Edited September 13, 2024 by WHX?? 1 Share this post Link to post Share on other sites
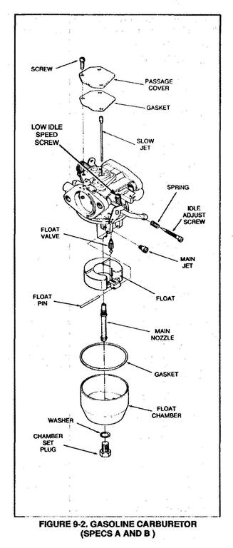
jld 4 #7 Posted September 17, 2024 Hi Ed, You beat me to it. As you noted, the fuel tank sits above the carb and fuel is gravity fed directly to the carb float bowl, which is why the primer bulb didn't make much sense to me. I did pull the carb pic that appears to depict my carb directly from the same manual that you listed above. Unfortunately,. there is no description as to how this carb operates, but as you can se, there is no mention of a fuel pump or check valves in the parts listing. My thought about operation is that when the engine cylinder moves "down" during cranking, vacuum is created in the top chamber of the carb which lifts the "slow jet" off its seat to draw fuel up from the bowl through the main jet. Perhaps it is not reseating fully or is otherwise leaking so that any fuel that should remain trapped in the upper chamber eventually leaks back down in to the bowl after sitting for a while. As mentioned, the only way to remove the top cover plate and gasket to inspect the slow jet is to first remove all the support bracketry and the carb from the engine. Just wish I could actually find some good tech info for this carb and how it operates to see if I'm even barking up the right tree. jld Share this post Link to post Share on other sites
jld 4 #8 Posted September 17, 2024 Ed, I meant to say when the engine piston moves down during cranking Share this post Link to post Share on other sites
wallfish 19,744 #9 Posted September 19, 2024 On 9/12/2024 at 6:03 PM, jld said: but am not sure how this carburetor draws fuel into the engine, because there does not appear to be any internal pump diaphragm or external fuel pump. I can only assume fuel is drawn in by engine vacuum on each pulse Engine pulse vacuum is the case whether there is a fuel pump or not. Fuel pump only fills the bowl. I remember reading about a carb (Probably not that one but...) where the choke plate was allowing too much air even when fully closed. The guys solution was to close off some of those holes so the vacuum was stronger. You can remove the air cleaner and cover the carb throat with your palm and try starting it. If it starts more quickly then maybe finding something for a better choke plate, making a new choke plate or closing some holes off on that choke plate could be the solution to the problem. Just kind of throwing --it against the wall to what sticks 1 Share this post Link to post Share on other sites