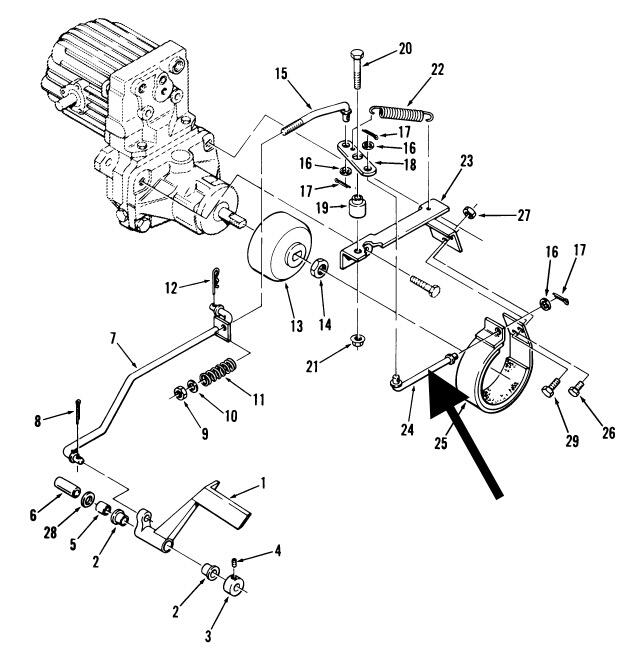
jay bee 915 #1 Posted August 15, 2024 I recently purchased a 1979 C-141 and the brake band and actuating or adjustment rod had been removed for some reason. I put a classified in the Wanted Forum but have not had a favorable response so far. I’m pretty sure I can replicate the rod if I can get one of the members to give me the dimensions. This rod, as far as I know is used on ‘78, ‘79 and ‘80 models C-series automatic only tractors. I believe it’s a 3/8 inch diameter rod but I’d like to find out the length if somebody could check for me. The rod part number is 106321 and it is number 24 in the schematic. If you have one of these that you can measure or if you have one you would part with please let me know. Thanks, Jim Share this post Link to post Share on other sites
TractorEd 674 #2 Posted August 15, 2024 (edited) Yes 3/8” rod. I measure 4 1/4” length from end to centerline of upturned end. Best length measurement I can get; not easy to get to with the wheel on. edit: maybe 4 3/8” give or take 1/8” edit 2: maybe someone has one laying around they can get a better measurement on. Edited August 15, 2024 by TractorEd Share this post Link to post Share on other sites
Ed Kennell 45,775 #3 Posted August 15, 2024 Just looked thru my bucket of rods. Sorry, no #24 rod. Share this post Link to post Share on other sites
jay bee 915 #4 Posted August 15, 2024 4 minutes ago, TractorEd said: Yes 3/8” rod. I measure 4 1/4” length from end to centerline of bend. Best length measurement I can get; not easy to get to with the wheel on. edit: maybe 4 3/8” Thanks Ed. That will get me close enough. You’re right, it’s not easy with the wheel on but thanks for that extra effort. Jim 2 Share this post Link to post Share on other sites
jay bee 915 #5 Posted August 15, 2024 3 minutes ago, Ed Kennell said: Just looked thru my bucket of rods. Sorry, no #24 rod. Thank you Ed. Jim Share this post Link to post Share on other sites
TractorEd 674 #6 Posted August 15, 2024 (edited) I see how little comes up when you search for that part number. Basically nothing except for $200+ that probably aren’t even in stock sites. give me a few minutes and I’ll go yank that wheel off and get a better measurement. Edited August 15, 2024 by TractorEd 2 Share this post Link to post Share on other sites
TractorEd 674 #7 Posted August 15, 2024 (edited) Let me know if you can’t read my scrawling and those stops are about 1/16 to 3/32” thick. Like washers welded on there. Rod itself is 3/8” diameter. Edited August 16, 2024 by TractorEd 5 Share this post Link to post Share on other sites
jay bee 915 #8 Posted August 16, 2024 Thanks, that’s perfect. I believe I might be able to duplicate that for less than $200. We were just down in your part of the country the last two days visiting my daughter and her family in Carmel. 3 Share this post Link to post Share on other sites
TractorEd 674 #9 Posted August 16, 2024 2 minutes ago, jay bee said: I believe I might be able to duplicate that for less than $200 By a long shot I hope, lol 3 minutes ago, jay bee said: in your part of the country the last two days I knew I felt the force grow stronger we’re practically neighbors! 3 Share this post Link to post Share on other sites
rjg854 12,963 #10 Posted August 16, 2024 Did you try and get in touch with AZ Tractor, or any of the other vendors? Red Bone etc. 1 Share this post Link to post Share on other sites
jay bee 915 #11 Posted August 17, 2024 On 8/16/2024 at 9:40 AM, rjg854 said: Did you try and get in touch with AZ Tractor, or any of the other vendors? Red Bone etc. A-Z is on my list if I can’t find locally or find the stuff to fabricate one. Not familiar with Red Bone. Can you fill me in? Share this post Link to post Share on other sites
rjg854 12,963 #12 Posted August 17, 2024 Red Man Boneyard 717 578-0532 redmanboneyard@gmail.com 1 Share this post Link to post Share on other sites
Bill D 2,771 #13 Posted August 18, 2024 2 hours ago, rjg854 said: Red Man Boneyard 717 578-0532 redmanboneyard@gmail.com I haven't heard of this vendor either. More information please. Does he have a website? 1 Share this post Link to post Share on other sites
Bill D 2,771 #14 Posted August 18, 2024 On 8/15/2024 at 7:56 PM, TractorEd said: Let me know if you can’t read my scrawling and those stops are about 1/16 to 3/32” thick. Like washers welded on there. Rod itself is 3/8” diameter. You can make that with some 3/8" threaded rod, nylock nuts and a heim joint for about $30. 1 Share this post Link to post Share on other sites
rjg854 12,963 #15 Posted August 18, 2024 Not that I know of. He's usually at the show every year with a lot of parts. 1 Share this post Link to post Share on other sites
jay bee 915 #16 Posted August 19, 2024 Sooo, here is an update on the brake band and adjustment rod project. Went to the local tractor scrap yard in Kalamazoo and they only had one Wheel Horse in the place. It was a 1996 314-8. I grabbed the rod that goes from the clutch pedal to the clutch linkage because it has a preformed 90 degree bend in it already. Also grabbed the brake band. Using the measurements from @TractorEd I cut the rod to length but left it a little long just to be on the safe side. Measured for a flat washer and pressure fit it on the rod. Had a friend weld it up for me and was again ready for a test fit and check for proper operation of the motion control lever and the brake band. With everything looking good, it was time for final length cut and paint. I didn’t get this pic before I cut the end off but this shows the total length of the clutch rod. Her it is cut with the flat washer welded on. Back to Red like it should be. And now it looks like it came from the factory that way. Or close anyway! I’m not sure how Toro justifies $205 for that rod but I’ve got less than $10 in the rod and the brake band. Thanks again to @TractorEd and all the other members who chimed in with helpful comments and feedback. Jim 3 4 Share this post Link to post Share on other sites
TractorEd 674 #17 Posted August 19, 2024 15 minutes ago, jay bee said: And now it looks like it came from the factory that way It sure does. Even has the rod-bender grip marks on it like the original does. Nice! 2 Share this post Link to post Share on other sites