About This File
Operator manual #201
IPL
Wiring
12 pages 1.28MB
Dated 4/22/64
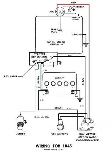
Wiring Color pdf
1 page 297KB
Tractor drive belt for 1045 #9691 - 1/2" x 70"
Starter/generator belt
Kohler 10hp, 12hp - 235262 (7345 Gates .410" x 35.09" 36 degree) (25-7345 Napa .410" x 35.09" 36 degree)
Wheel Horse 1593 (3L x 34.4") - nla (Gates replacement 6735 3/8" x 35" 38 degree)
1964 model 1045
1964 model 1054 - Not in PSB - Wheel Horse # 1593 nla {3Lx34.4"} - Gates 7340 .410"x34.58" 36 degree or Napa 25-7340 .410"x34.58" 36 degree
1965 model 1054A - Not in PSB - Kohler 235262 replaces 235528 [.41"x35.09" 36 degree] - Gates 7345 .41"x35.09" 36 degree or Napa 25-7345 .41"x35.09" 36 degree
1965 model 1055
1965 model 1075
Another Special model built to use up an excess of parts inventory. It has been said there were 1100 units built August - October 1964
1045 purchased new on May 14th, 1964 for $690.00 + $13.80 tax
Invoice for 1045 serial 22353 sold June 13, 1964
1965 model 1045 - Often considered a 1964 model but in a 1965 manual also.
Lube chart SS
Details & Attachments
3 pages 117.25KB
1964 model 1045 - Built late in the 1964 model year
1964 serial numbers that have shown up for 1045
021505
021510
021532
021533
021536
021555
021622
021626
021663
021683 - Postage stamp serial decal
021740
021760
021781
021818
021819
021858
021866
021872
021874
021896
022018
022036
022141
022144
022168
022214
022296
022305
022353 - Purchased June 13, 1964 - See invoice above
022424
022456
022488
022494
022549 - Postage stamp serial decal
022566
022628
022654
022743
022759
022781
022797
022869
022929
022987
02xxxx
044225
