About This File
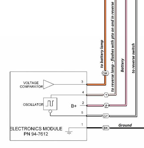
Battery and reverse lamp module 94-7612
Used in 1998 only on 5xi models 73470, 73540, 73541, 73560 with Kohler engine
Temperature and reverse lamp module 94-7613
Used in 1998 only on 5Lxi models 73545, 73546 with Kawasaki engine
Fuel and reverse lamp module 94-7614
Used in 1998 only on 523Dxi models 73550, 73551 with diesel engine
