Jump to content

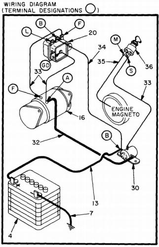
Tractor 1967 Toro 7hp Lawn tractor OM IPL Wiring.pdf

Sign in to follow this  

gwest_ca

2 Screenshots

About This File

Operator manual #215-67

IPL

Wiring

28 pages 2.75MB

 

Formerly Springfield

 

1967 7hp Lawn tractor model 55000 Serial 700001-799999 - Recoil start

1967 7hp Lawn tractor model 55100 Serial 700001-799999 - Electric start




×
×
  • Create New...