About This File
IPL #3322-965
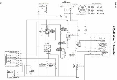
Wiring
60 pages 1.85MB
Wiring only
1 age 47KB
2000 265-H model 72050 Serial 200000001-200999999 - May be the same as Ford New Holland model LS35
2000 265-H model 72071 Serial 200000001-200999999 - Export model
2000 265-He model 72071 Serial 200000001-200999999 - Export model
