About This File
Operator Manual #3324-776
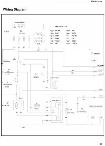
Wiring
52 pages 1.4MB
Illustrated parts list #3324-777
Wiring
36 pages 3.2MB
Wiring from operator manual
1 page 229KB
Details & Attachments
2 pages 116.09KB
2001 16-38HXL Lawn Tractor model 71227 Recycler Serial 210000001-210999999
2001 serial numbers that have shown up for the 71227
210004107
210004411
210007165
------------------------------------------------------------------------------------------------------------------------------------------------
Illustrated parts list #3324-777
Wiring
36 pages 3.2MB
Details & Attachments
2 pages 110.19KB
2001 16-38HXL Lawn Tractor model 71242 Recycler Serial 210000001-210999999 - Export model
2001 16-38HXLE Lawn Tractor model 71242 Recycler Serial 210000001-210999999 - Export model
2001 serial numbers that have shown up for the 71242
