About This File
Operator manual #310
IPL
Wiring
12 pages 1.46MB
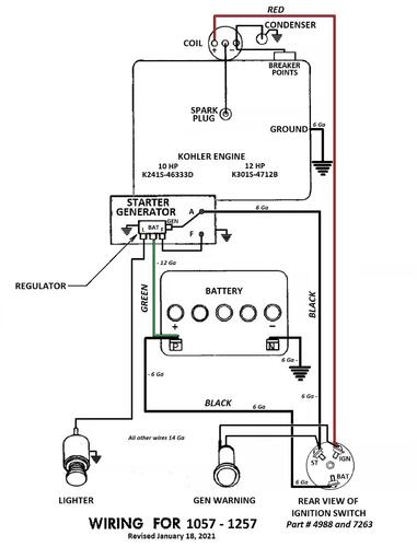
Wiring Color pdf
1 page 311KB
Long frame 45-1/2" wheelbase
The 5080 transmission in this ipl is a typo and should be 5058. The 5080 used 1" axles and 4 spur pinion gears in 1971.
The model 5058 used in the 1967 1057 and 1257 has 1-1/8" axles and 2 bevel pinion gears.
Transmission drive belt 1586 replaced by 9714 (HA x 76" or 1/2" x 76")
Starter/generator belt
Kohler 10hp, 12hp - 235262 (7345 Gates .410" x 35.09" 36 degree) (25-7345 Napa .410" x 35.09" 36 degree)
Wheel Horse 1593 (3L x 34.4") - nla (Gates replacement 6735 3/8" x 35" 38 degree)
Lube chart SS
Details & Attachments na
1967 model 1057 - Not listed at Toro. Used Kohler K241S-46333d
1967 serial numbers that have shown up for the 1057
285055
285127
308016
308021
308193
308225
318117
318246
318269
318381
355138
355150
355372
-------------------------------------------------------------------------------------------------------
The 5080 transmission in this ipl is a typo and should be 5058. The 5080 used 1" axles and 4 spur pinion gears in 1971.
The model 5058 used in the 1967 1057 and 1257 has 1-1/8" axles and 2 bevel pinion gears.
Transmission drive belt 1586 replaced by 9714 (HA x 76" or 1/2" x 76")
Starter/generator belt
Kohler 10hp, 12hp - 235262 (7345 Gates .410" x 35.09" 36 degree) (25-7345 Napa .410" x 35.09" 36 degree)
Wheel Horse 1593 (3L x 34.4") - nla (Gates replacement 6735 3/8" x 35" 38 degree)
Details & Attachments
3 pages 118.66KB
1967 model 1257
1967 serial numbers that have shown up for the 1257
271518
284597
284619
284638
284862
284940
308685
308797
308832
316126
316157
316166
328915
343635
What's New in Version See changelog
Released
No changelog available for this version.
