About This File
LX 465 LX-465
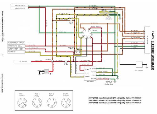
Wiring Color pdf
1 page 431KB
Operator manual 3357-950
Wiring
64 pages 13.5MB
Details & Attachments
2 pages 115.91KB
2007 LX465 Lawn Tractor model 13AX61RH544 A Serial 1A117H10393-
---------------------------------------------------------------------------------------------------
Operator manual 3357-952
Wiring
36 pages 3.6MB
Details & Attachments
2 pages 116.48KB
2007 LX465 Lawn Tractor model 13AX61RH744 B Serial 1A117H10393-
Details & Attachments
2 pages 116.19KB
2007 LX465 Lawn Tractor model 13AX61RH748 C Serial 1A117H10393-
