About This File
LX 425 LX-425
Wiring Color pdf
1 page 378KB
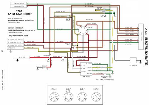
13BX60RG544
Operator manual #3357-946 RevA
Wiring
60 pages 5.1MB
IPL #3357-949 RevC
32 pages 848KB
Details & Attachments
3 pages 121.03KB
2007 LX425 Lawn Tractor model 13BX60RG544 A Serial 1A087H10172-1E237H10144
Details & Attachments
2 pages 116.19KB
2007 LX425 Lawn Tractor model 13BX60RG544 B Serial 1E237H10145-
--------------------------------------------------------------------------------------------------------------------------------------
13BX60RG744 & 13BX60RG748
Operator manual #3357-948 RevA
Wiring
36 pages 3MB
IPL #3357-947 RevC
32 pages 840KB
Details & Attachments
3 pages 120.55KB
2007 LX425 Lawn Tractor model 13BX60RG744 C Serial 1A087H10172-1C307H10417
Details & Attachments
2 pages 115.99KB
2007 LX425 Lawn Tractor model 13BX60RG744 D Serial 1C307H10418-
Details & Attachments
3 pages 120.78KB
2007 LX425 Lawn Tractor model 13BX60RG748 E Serial 1A087H10172-1E087H10250
Details & Attachments
2 pages 116.53KB
2007 LX425 Lawn Tractor model 13BX60RG748 F Serial 1E087H10251-
