Jump to content

Tractor 1997 267-H & 267-He Wiring Detailed Rev.pdf

Sign in to follow this  

gwest_ca

2 Screenshots

About This File

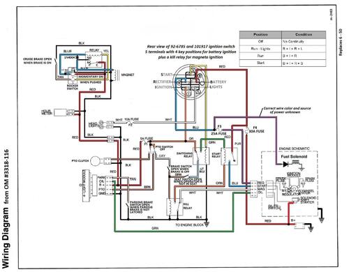
Detailed wiring from the Demystification Guide #492-4509

7 pages 2.2MB color pdf

p6-49 to p6-55

 

1997 267-H model 72085 Serial 7900001-7999999

 

1997 267-H model 72104 Serial 7900001-7999999 - Export model 267-He

 




×
×
  • Create New...