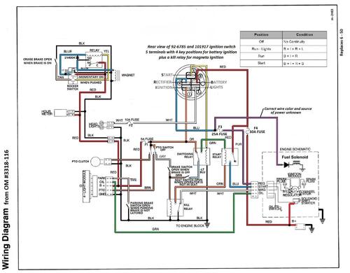
About This File
Detailed wiring from the Demystification Guide #492-4509
7 pages 2.2MB color
p6-49 to p6-55
1996 267-H model 72085 Serial 6900001-6999999 - This is possibly the same as a Ford or New Holland model LS45
1996 267-H model 72104 Serial 6900001-6999999 - Export model 267-He
