About This File
Operator manual #A-5505
IPL
Wiring
15 pages 1.06MB
Wiring Color pdf
1 page 216KB
Includes PSB #18 and 329
Includes 5-5321 32" RD mower deck IPL
Details & Attachments
2 pages 103.17KB
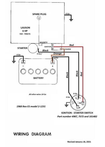
1968 Reo Lawn Skiff model 2-1231 - Electric start using V60-70067G
1968 serial numbers that have shown up for the 2-1231
450623
585158
Details & Attachments
2 pages 103.38KB
1968 Reo Lawn Skiff model 2-2231 - Recoil start using V60-70066S
1968 serial numbers that have shown up for the 2-2231
457409
