Jump to content

Tractor 1996 314-8 Gold OM Wiring Revised.pdf

Sign in to follow this  

gwest_ca

5 Screenshots

About This File

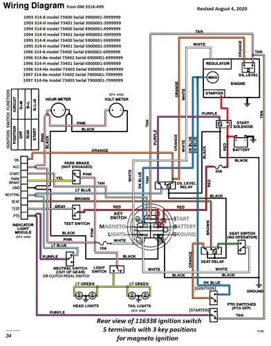
Operator manual #3318-499

Wiring

40 pages 3.74MB

 

Color wiring pdf

1 page 548KB

 

Setup instructions #3318-503

8 pages 658.75KB

 

Lube chart SS

 

1996 314-8 model 73402 Serial 6900001-6999999




×
×
  • Create New...