Jump to content

Tractor 1996 314-8 Gold IPL Wiring Revised.pdf

Sign in to follow this  

gwest_ca

2 Screenshots

About This File

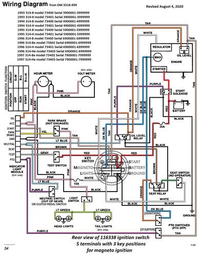
IPL #3318-519

Wiring

48 pages 1.21MB

 

Color wiring pdf

1 page 548KB

 

1996 314-8 model 73402 Serial 6900001-6999999 - (Has gold trim on hood 50th Anniversary model)




×
×
  • Create New...