About This File
Operator manual #3316-530
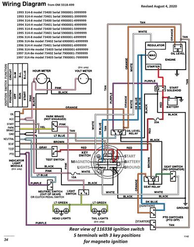
Wiring
32 pages 2.63MB
Color wiring pdf
1 page 548KB
Lube chart SS
Details & Attachments
3 pages 120.79KB
1994 314-8 model 73400 Serial 4900001-4999999
1994 serial numbers that have shown up for the 73400
4900177
4900302
4900409
4900679
4900794
4901795
4901829
