About This File
Operator manual #810191R1
8 pages 851.60KB
Dated 12/79
IPL from Toro Master Parts Viewer
4 pages 326.04KB
Fits C-Series except C-195
Fits 1978 and later C-Series single cylinder tractors
Twin-cylinder models require 103635 drive belt
1976 and 1977 B and C-Series tractors require Service Assembly 105162
1975 and prior models require Service Assembly 105105
Drive belt # 1599 (HA x 139.00in 1/2" x 139")
If used on later twin-cylinder models use belt # 103635 which has been replaced by # 110265 (1/2" x 141.00")
See service bulletin WH61-90 #271 36in Tiller C-Series Drive Belt.pdf for a belt change to some models
Tiller 1979 36in model 97-36TL01 - no ipl available
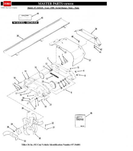
Tiller 1980 36in model 07-36TL01
1980 serial numbers that have shown up for the 07-36TL01
00001248
00010899 - Build date 1980 0018 January 18 Friday
00010962
00011066
00011132 - Build date 1980 0022 January 22 Tuesday
00011356
00011761 - Build date 1980 0030 January 30 Wednesday
00012014 - Build date 1980 0035 February 04 Monday
Tiller 1981 36in model 07-36TL01
Tiller 1982 36in model 07-36TL01
1982 serial numbers that have shown up for the 07-36TL01
22740 - Build date 1981 1342 December 08 Tuesday
22815
23091
