About This File
Operator manual #1-7041-P
IPL
Wiring
16 pages 1.57MB
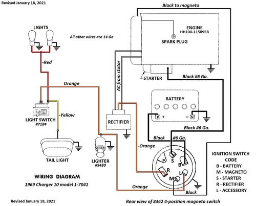
Wiring Color pdf
1 page 355KB
Terminals on 8362 magneto ignition switch may not be identified
1 page 126KB
5955 hydro pump gasket nla - 102759 gasket should work
Tractor drive belt # 7478 replaces # 4535 - (HB/5L x 84.22" or 5/8" x 84.22")
Lube chart SS
Details & Attachments
4 pages 117.18KB
1969 Charger 10 model 1-7041
1969 serial numbers that have shown up for 1-7041
517990
518052
518101
518176
543005
543078
543293
543343
544234
544296
544369
544527
544536
544541
546635
546942
595595
