About This File
IPL from Toro Master Parts Viewer
4 pages 301.13KB
Fits C-Series except C-195
Drive belt # 1599 (HA x 139.00in 1/2" x 139")
If used on later twin-cylinder models use belt # 103635 which has been replaced by # 110265 (1/2" x 141.00")
Tiller 1983 36in model 07-36TL02
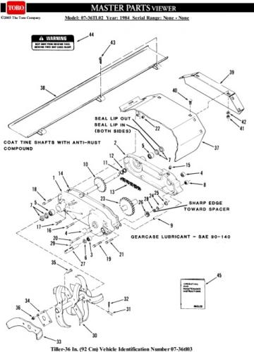
Tiller 1984 36in model 07-36TL02
Tiller 1985 36in model 07-36TL02
