About This File
Operator manual Illustrated parts list Wiring.pdf
12 pages 1.2MB
Wiring Color pdf with heavy duty 4-position key switch
1 page 347KB
Wiring Color pdf with light duty ignition 3-position key switch and added solenoid. Included an optional diode in the ignition wire to save the breakerless ignition.
1 page 408KB
Transmission drive belt 78-7100 replaced by 7473 - HB x 81.9" or 5/8" x 81.9"
Lube chart SS
Details & Attachments
4 pages 116.82KB
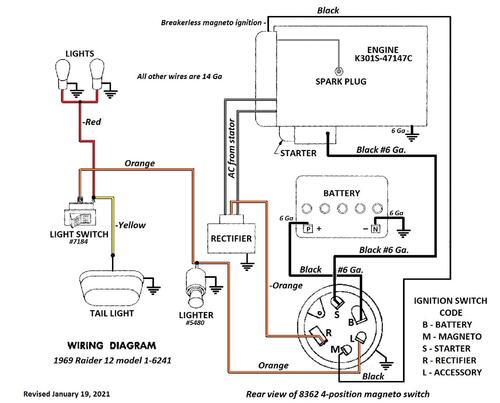
1969 Raider 12 model 1-6241 uses Kohler K301S-47147c with breakerless magneto ignition (Engine oil capacity 2-1/2 quarts)
1969 serial numbers that have shown up for the 1-6241
512622
512623
512760
512817
512848
513056
513101
525614
525742
570217
570314
570383 - Posted as a model 1-6251
570398
570451
598627
611820
611910
611970
612132
614084
