Jump to content

Tractor 1992 312-8 Wiring Rev.pdf


Roanoker494

2 Screenshots

About This File

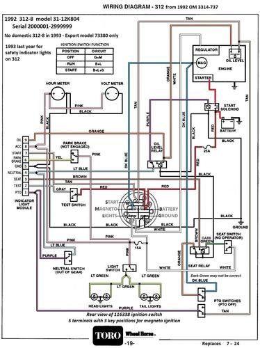
Detailed wiring from the Demystification Guide #492-4509

Pages p7-23 to 7-27 corrected Color

5 pages 1.8MB

 

(These diagrams are not correct for the exported models)

 

1992 312-8 31-12K804 Serial 2000001-2999999


What's New in Version   See changelog

Released

No changelog available for this version.




×
×
  • Create New...