About This File
Operator manual #1-7241-P
IPL
Wiring
14 pages 1.04MB
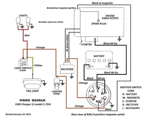
Wiring Color pdf
1 page 360KB
Terminals on 8362 magneto ignition switch may not be identified
1 page 126KB
5955 Sundstrand hydro pump gasket nla - 102759 gasket should work
Tractor drive belt # 7478 replaces # 4535 - (HB/5L x 84.22" or 5/8" x 84.22")
Lube chart SS
Details & Attachments
4 pages 117.40KB
1969 Charger 12 model 1-7241
1969 serial numbers that have shown up for the 1-7241 (4th digit in the model number 4 + 5 = model year 9 = 1969)
520064
520099
520147
521131
521149
521157
572562
572691
572695
587991
588613
588643
588880
597097
597171
597203
597315
615503
618706
