About This File
IPL #A-7136
Service notes
Wiring
20 pages 1.97MB
Includes PSB #038 #050 #058 #060 #069 #070 #080 #348 #394A #430
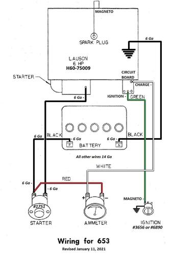
653 Wiring Color pdf
1 page 168KB
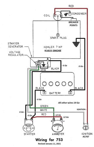
753 Wiring Color pdf
1 page 206KB
There was a model 703
Tractor drive belt for 633, 653 and 753 #9691 - 1/2" x 70"
Kohler Starter/Generator belt
Original Wheel Horse 1583 nla Used on 6, 7, 8hp Kohler Starter generator {3Lx33" in belt charts is 3/8" x 33" but some applications use a shorter belt. Belt should have raw rubber sides for grip.}
3V315 Gates .38"x31.5"
3V315 Napa .38"x31.5"
Kohler #231605 Starter generator belt Replaces 232613 [.41"x32.08" 36 degree] PSB #061 Should use raw edge belt
7315 Gates .41"x32.08" 36 degree
25-7315 Napa .41"x32.08" 36 degree
Small Block Kohler Napa # 25-7320 .41" wide x 32.5" long Side angle 36 degrees Cross section HC41
Toggle ignition switch for 633 magneto ignition 3279
Keyed ignition switch with single terminal for 653 is 3656 magneto replaced by 6890 and nla. See PSB #069
Keyed ignition switch for 753 battery type 1747
Lube chart SS
Details & Attachments
3 pages 116.08KB
1963 model 633
1963 serial numbers that have shown up for the 633
62-18509
25933
26108 - Model a guess Now has 8hp engine
26210
26234 - Original thought to be a 653
26355
26898
27126
27137 - Model number a guess
27167 - Has K141T-29102A Serial 654682
27256
28649 - Model number a guess
28818
28878 - Has K141T-29136A Serial 681196
28954 - Model number a guess
29190 - Has K141T-29136A Serial 681560
29250
29309
29454
29515
29681 - Model number a guess
29693
29735
31602
32336
33332
35309 - Could be 653 or 753
35380
38003
38760
38894
---------------------------------------------------------------------
Details & Attachments
3 pages 116.72KB
1963 model 653
1963 serial numbers that have shown up for the 653
62-23813
62-23886
62-24087
62-24186 - Model number a guess
62-24495 - Model and year a guess
62-25049
26234
26693
26798
27137 - Model number a guess
32416 - Could be a 753
32417 - Could be a 753
32492 - Could be a 753
33212
35242 - Could be a 753
35309 - Could be a 753
35818
35819
36207
37240 - Model number a guess
37241
37349
38815
38885
39131
44370 - Could be a 753
-------------------------------------------------------------------------
Details & Attachments
3 pages 117.49KB
1963 model 753
1963 serial numbers that have shown up for the 753
62-02093 - Looks wrong
62-22031
62-22113
62-22415
62-22929 - Model and year a guess
62-23113
62-23128
62-23191
62-23207
62-23435
62-23481
62-23486
62-23573
62-23646 - Model and year a guess
62-23737 - Model and year a guess
62-23823
62-23884
62-23960
62-24027 - Model a guess
62-24063 - Model a guess
62-24085
62-24420 - Located in Australia
62-24434 - Located in Australia
62-24500
62-24526
62-24618
62-24661 - Model a guess
26293 - Model a guess
26456 - Model a guess
27029
27137 - Model number a guess
27911
28007
29299 - Model a guess
2969x - Model a guess
30148
30204
30239
30285 - Added 02-17-2019
30341 - Added 06-06-2019
30394
30458
31624
31802
32416 - Could be a 653
32417 - Could be a 653
32492 - Could be a 653
35242 - Could be a 653
35309 - Could be a 653
32532
32536
32537
32599 - Located in France
32628 - Model 753 is a guess
32713 - Model 753 is a guess
32829
32970
35518
35663 - Model 753 is a guess
36477
38033
39750
44370 - Could be a 653
44594 - Model a guess
45681 - Found in France - Moved to Belgium
46567 - Model a guess
47889 - Model a guess
47957 - Thought to be a 753 but most likely a model 754
