About This File
Detailed wiring from the Demystification Guide #492-4509 Revised
5 pages 1.3MB Color pdf
p7-71 to p7-75
Wiring from OM Color pdf
1 page 728KB
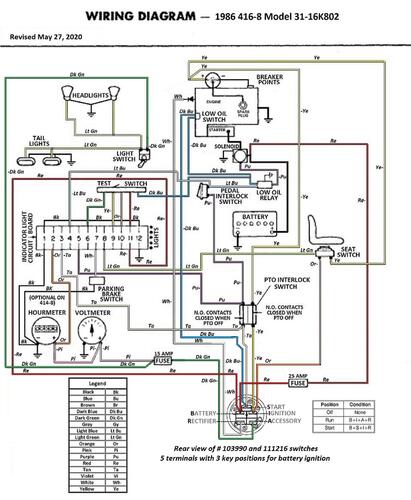
Kohler K341S-71381 with battery ignition and 15 amp regulated charging system
First year for low oil switch and relay
1986 416-8 model 31-16K802
