About This File
Operator manual #177
IPL
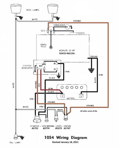
Wiring
12 pages 2.55MB
Dated 9-3-63
Service notes
IPL
Wiring
17 pages 1.72MB
Includes PSB #050 #058 #060 #080 #399C
Wiring Color pdf
1 page 182KB
Tractor drive belt 1592 nla from Toro (4L x 82.00" or 1/2" x 82")
Starter/generator belt
Kohler 10hp, 12hp - 235262 (7345 Gates .410" x 35.09" 36 degree) (25-7345 Napa .410" x 35.09" 36 degree)
Wheel Horse 1593 (3L x 34.4") - nla (Gates replacement 6735 3/8" x 35" 38 degree)
Hydraulic pump belt - Wheel Horse 1591 nla Use Toro 83-2900, Gates 6748 3/8"x48", Napa 3L480W 3/8"x48".
[The online parts lists show a 1/2"-20 female thread for the rear tie-rod end on the drag link and a 1/2"-20 nut for the stud that goes into the pitman arm. This one should be 3/8"-24. The original manual is correct.]
Lube chart SS
Details & Attachments
2 pages 109.33KB
1964 model 1054
1964 serial numbers that have shown up for the 1054 - Appears the late 1964 model production went straight to early 1965 model production but we do not know at what serial that happened. Results as posted may not be correct because owners often don't know what model they have.
019578 - May be a typo Also posted as 049578
019725 - May be a typo Also posted as 049725
042143 - May be a 953
042159 - May be a 953
042296
042299
042321
042416
042424
042431
042540
042649
042654
042698
042805
042810
042912
042915
043144
043186
043225
043350
043437
043506
043531
043553 - White choke and throttle knobs
04363x
043745
043826
043829
048732
048735
048793
048804
048870
048914
048996
049039
049106
049186
049192
049349
049439
049539
049578 - Posted as being 19578
049591
049605
049675
049723
049725 - Posted as being 19725
049927
050203
050284
Early 1965 model 1054A serials posted - One can see some are not identified correctly.
049065
049183
049533
049578 - Posted as being 19578
049725 - Posted as being 19725
049819
049829
049869
049905
050039
050154
050203
050224
050237
050272
050308
050335
050366
101637 - Model and year a guess
What's New in Version See changelog
Released
No changelog available for this version.
