Jump to content
Joe 77 B100

safety switches????

Recommended Posts

Gregor
5 hours ago, ecojoe69 said:

My brake and clutch pedals are on opposite sides but I am assuming they are attached somehow under the machine.

I think you drew in lines to help me test with my volt meter but your shorthand doesn't make sense to me.  Are those things below to be done separately?  in any certain order?  

Each test done separately, in no particular order.

 

5 hours ago, ecojoe69 said:

Can you explain a bit more?  I KNOW I need to do some sort of sequenced check with my volt meter to diagnose the issue but haven't written down the steps yet.  I like the pic though and will look for all of those wires.

The "sequence" testing as you call it will come after these voltage checks, if necessary.

  • Like 1

Share this post


Link to post
Share on other sites
 
Gregor

image.png.9752cb7b021ba4b24834a52da26dff65.png

  • Like 1

Share this post


Link to post
Share on other sites
 
Gregor

 

image.png.605e09e064873a71edb8831e5e9e50d3.png

  • Excellent 1

Share this post


Link to post
Share on other sites
 
953 nut
7 hours ago, ecojoe69 said:

Can I get a copy of the manual that this image came from?  I think its going to help me understand a lot.

Go to pose # 4 of this thread, Garry gave you the link to this manual, click on the download bar and you will have it.

  • Like 1

Share this post


Link to post
Share on other sites
 
953 nut
On 12/21/2021 at 3:49 PM, ecojoe69 said:

I charged the battery up and connected the two solenoid bolts.  The starter whirred but that was all.  I think the battery might be old but it did register 12V.

Don't think you are going to make much progress until you get a good battery in there.

Share this post


Link to post
Share on other sites
 
gwest_ca

You may need to remove the fuel tank to see the pto switch. It is below the tank tray.

 

1977 C-100 pto lever SS.jpg

  • Like 2

Share this post


Link to post
Share on other sites
 
Joe 77 B100
2 hours ago, gwest_ca said:

This is AWESOME!  Exactly what I needed!

You may need to remove the fuel tank to see the pto switch. It is below the tank tray.

 

 

1977 C-100 pto lever SS.jpg

 

Share this post


Link to post
Share on other sites
 
Joe 77 B100
2 hours ago, 953 nut said:

Don't think you are going to make much progress until you get a good battery in there.

I haven't found anywhere yet that tells me what battery to put into it.

Ideas?

Share this post


Link to post
Share on other sites
 
Gregor

Go to Walmart. Buy the biggest battery you can fit in the space. That's what I do. 12 volt, of course. Top post. Make sure the posts are on the correct side.

  • Like 1

Share this post


Link to post
Share on other sites
 
953 nut

Any lawn and garden battery will do the job. This time of year your selection may be a bit limited but 

  • Like 1

Share this post


Link to post
Share on other sites
 
Joe 77 B100
11 hours ago, ecojoe69 said:

 

I found the switch associated with the PTO, but it doesn't look anything like what others posted.

How do I test if its ok?

IMG_20211223_171203587.jpg.a60cb01ba3f097fb1bb2b87a2672552c.jpgHere is me pointing to it.  It has a ball that gets pushed in when the PTO is engaged.

Share this post


Link to post
Share on other sites
 
Gregor

Post a pic of your meter please. Can you get to the wired in the back of the switch?

Share this post


Link to post
Share on other sites
 
Handy Don
On 12/23/2021 at 10:55 AM, ecojoe69 said:

I haven't found anywhere yet that tells me what battery to put into it.

Ideas?

Be sure to measure all three dimensions--length, width, and height before picking the battery.

Share this post


Link to post
Share on other sites
 
Joe 77 B100
On 12/23/2021 at 4:54 AM, Gregor said:

 

image.png.605e09e064873a71edb8831e5e9e50d3.png

 

In this image, is the light green wire at the bottom coming from the ignition?

 

 

Share this post


Link to post
Share on other sites
 
Gregor

Yes  Here is the the bottom half

 

 

image.png.b3d805e3e0f5d10cdc5407391e009123.png

  • Like 1

Share this post


Link to post
Share on other sites
 
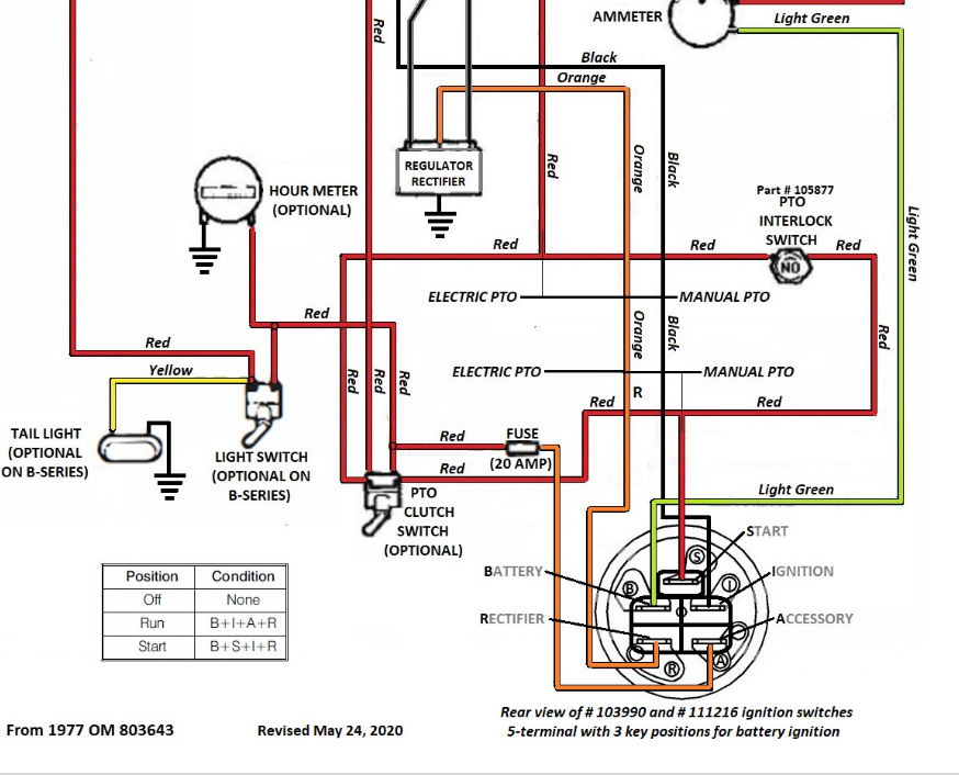
Joe 77 B100

Yeah, I figured out how to link from images in these posts to the original and now I have the whole image. 

Questions:

1) In the image below, one of the rectangles mid-wire is labeled a fuse but then, in other places, the word "fuse" is not next to a little rectangle on the wire.  Like between the two interlock switches circled in green.

2) what does the regulator and rectifyer do?  I think it sits in the dash below my amp meter.

 

 

 

Inked1032319289_1977BandC-SeriesManualptoWiringfromOMColor.jpg.99a99c50e9d9163950789475e1ad4179-1_LI.jpg

Share this post


Link to post
Share on other sites
 
Gregor

 

6 minutes ago, ecojoe69 said:

Like between the two interlock switches circled in green.

I don't have one of these tractors. So I am NOT going to swear to ANYTHING, but.........The small square with the green circle? .....I would say is a fuse, based on  it's location, and where the red wire is coming from, and where it is going,

 

7 minutes ago, ecojoe69 said:

what does the regulator and rectifyer do?  I think it sits in the dash below my amp meter.

I have no idea where it sits, but it probably has 2 white wires, and a colored wire. Orange?  Two whites wires coming from the motor are from the stator, The alternator if you will. Just like on your car. It produces AC voltage. The RECTIFIER turns that AC voltage into DC voltage for your battery. It charges up your battery, and provides power to lights, cig lighter, whatever,  while the tractor is running. When the battery is fully charged, the REGULATOR shuts off the voltage. Otherwise it would just keep charging, and charging, and charging, and eventually cook your battery.

At least that's MY understanding of how this thing works, but I'm relatively new to all this.

  • Like 2
  • Thanks 1

Share this post


Link to post
Share on other sites
 
Joe 77 B100

Ok.  I got a new battery in it and it cranks over well and fired for a moment- but only if I cross the terminals on the solenoid.  Not with the ignition so I think that is bad.  It looks all rusted and corroded. 

 

And, I DID find the clutch interlock switch.  So, since it requires the pedal to be pushed down, once I get it all set then I guess I have to have the clutch engaged to start to the tractor???  What about getting off the tractor while its in park?  How do I do that if there is a safety switch but no way to hold the clutch down when you get off?

Edited by ecojoe69

Share this post


Link to post
Share on other sites
 
953 nut
36 minutes ago, ecojoe69 said:

It looks all rusted and corroded. 

Need to clean up ALL electrical connectors, any  corrosion will reduce the voltage to components that draw electrical current.

  • Like 1

Share this post


Link to post
Share on other sites
 
Handy Don
58 minutes ago, ecojoe69 said:

have to have the clutch engaged to start to the tractor???  What about getting off the tractor while its in park?  How do I do that if there is a safety switch but no way to hold the clutch down when you get off?

-- Yes, hold clutch to enable starting.

-- Clutch interlock prevents starting, not running (it does not shut off the tractor so you can dismount without having the engine stop--similar to some modern cars that need a foot on the brake to be allowed to start but you don't have to keep your foot on the brake to drive or exit the car)

 

HOWEVER, if your tractor has PTO safety switches, then having the PTO engaged will also prevent starting AND if you dismount (get off the seat) while the PTO is engaged, the engine will shut down.

Edited by Handy Don
  • Like 1

Share this post


Link to post
Share on other sites
 
Joe 77 B100

Update.  I went out and test a few more things and made sure the shut-off connections were good.  Tried the ignition thinking nothing could possibly happen and it cranked fired!   I tried again and just turned over.  Added starter fluid, it fired and stayed running for a few seconds.   Starter fluid seems to start it but it won't stay running.

What should I check for accuracy?

  • If I screwed up the gap on the points would that cause this?
  • I am FAIRLY sure I set the governor arm correctly.
  • I DID clean and put back together the carb.  Is an incorrect setting likely?
  • Anything else I should check?
  • I DO see gas running through the new lines I put in.

I am STOKED that the ignition works!  I think the main issue was the dirty safety switch connections. 

Share this post


Link to post
Share on other sites
 
Handy Don

You have spark so what it seems you are lacking is fuel.

 

Seeing fuel in the lines is good, but it may not be in the carb and getting into the engine.

It is NOT time to shotgun touch stuff. Its IS time to be methodical and eliminate one thing after another.

 

1. If the points were off significantly it would not fire at all. Leave them alone for now.

 

2. The likeliest problem is that fuel has not filled the carb bowl. When you did the carb, are you pretty sure that the float and float valve were free and working correctly? Pretty sure the idle and high speed needle valves are at the spec'd initial setting?

Couple things to check: a) choke plate opening and closing as expected? b) throttle plate opening and closing as expected?

 

Ok, so lets try to force fuel into the carb.  With the air cleaner OFF, place the flat of your palm across the inlet to the carb, blocking it from "inhaling" air. Have someone crank the engine for 7-10 seconds. The idea is to use the vacuum of the engine intake to force extra fuel into the carb. If the engine fires, remove you hand FAST. If not, when you remove you hand you should smell fuel in the carb intake.

Another way to do this is to uncap the fuel tank, clean the opening, and blow hard into the tank for a full outward breath with the opening sealed against the sides of your mouth then back away. Do this a couple of times. Again, idea is to make sure fuel has filled the bowl. (OBVIOUSLY you make sure to breathe in AWAY from the fuel fumes). Re-cap the fuel tank.

 

Now try to start it (full throttle, choke on full and then moving down to half slowly after you start cranking. Crank for up to 10 (count 'em) seconds. Then let the starter cool for at least 10 seconds.

 

Good luck

 

 

Edited by Handy Don

Share this post


Link to post
Share on other sites
 
Joe 77 B100

Well guys, it's running.  I think the main issue was a safety switch that was too dirty to work and a dirty carb.

I DO need a new fuel pump because the old one was leaking.  Took it off and apart and the diapragm was soft and mushy.  

Anyone know where I find the part number for a fuel pump.  I searched a Kohler K241s on Amazon and came up with one but I wanted to be sure and cross reference to be sure.

Is there a quality issue I should worry about ordering from Amazon rather than ISaveTractors?  Its $12 on Amazon and $70 on IST. 

Thanks in advance.

Share this post


Link to post
Share on other sites
 
Gregor

Some people have good luck with $15 fuel pumps, some don't. It's a crap shoot. Personally, when I have to change one, I go electric, but a good one is $50 or more.

Share this post


Link to post
Share on other sites
 
Joe 77 B100

Anyone know what this is or what you do with it?  I assume it is some access to the oil but not sure why it would be needed if there is a drain on the side. 

 

IMG_20211230_154757495.jpg

Share this post


Link to post
Share on other sites
 

Create an account or sign in to comment

You need to be a member in order to leave a comment

Create an account

Sign up for a new account in our community. It's easy!

Register a new account

Sign in

Already have an account? Sign in here.

Sign In Now

×
×
  • Create New...