Jump to content
meadowfield

Classified: project C4

Recommended Posts

wheelhoss

Where did you find those front wheel. And what size are they.

  • Like 1

Share this post


Link to post
Share on other sites
 
meadowfield

The wheels are the standard 8 inch rims that came with the axle.

Share this post


Link to post
Share on other sites
 
Stormin

Nearly as many levers as a series Land Rover. :thumbs:

Share this post


Link to post
Share on other sites
 
meadowfield

I

Nearly as many levers as a series Land Rover. :thumbs:

The same! Just need a yellow knob for the 4WD and red for hi low :)

Share this post


Link to post
Share on other sites
 
meadowfield

Small update, done a little more painting and cut a grease groove in the axle pivot pin.

ff01bb6450396d94f45bb0349b3bdc11_zps52d3

880cbec058f47ed9625ec12d51a14cb4_zps52eb

Lots more parts hanging in the kitchen :)

  • Like 1

Share this post


Link to post
Share on other sites
 
Stormin

I

Nearly as many levers as a series Land Rover. :thumbs:

The same! Just need a yellow knob for the 4WD and red for hi low :)

 

 

No overdrive? :eusa-whistle:

  • Like 1

Share this post


Link to post
Share on other sites
 
meadowfield

Darn it! Knew I was missing something, I fitted the optional pto instead. Lever is on the side of the hood stand :D

Share this post


Link to post
Share on other sites
 
Stigian

Your painted parts look quite at home in the kitchen Mark :D

I'm guessing you cut the grease groove with a grinder? That's the way I would do it.

Share this post


Link to post
Share on other sites
 
Charlie Smith

Looking good mark! I see it's still in kitchen ;) right at home!

Share this post


Link to post
Share on other sites
 
meadowfield

One of the final updates...

It's taken three months and I'm 99% complete. Axle is painted and back on.

636bd812e50e7e62e5b9fa090964d60c_zps4b02

d3819ca8f3bd00bce7567cc0a625d0b2_zps075a

dd7a171de9febd6f803486aa9ff3cecb_zps023d

cbc349302c3e2e914a8ce54492f67e5c_zps85e2

There's a potential problem with the transmission that I need to look into :( I may have broken something, but need to get it on stands to check.

Also once the transmission winds up, it's hard work to unlock the front axle. I think I'm going to need an indicator to show it's still stuck in 4wd. As with all 4WD, it's inevitable that it winds up causing the gears to be tight against one another making disconnection difficult.

I don't want to force things so just need to pull the lever until the pressure goes.

Edited by meadowfield

Share this post


Link to post
Share on other sites
 
timo4352

I remember putting the front tires on a loose surface helped unlock the four wheel drive in my old trucks. It would not shift out of 4 wheel on the street.

Share this post


Link to post
Share on other sites
 
meadowfield

I'm currently reversing as it's the best way to reduce tension - driving on dirt or grass helps too

Share this post


Link to post
Share on other sites
 
Don1977

Yes hard pavement doesn't work with old style 4 wheel drive. Backing down is the best way to undo a wind-up.

Share this post


Link to post
Share on other sites
 
Anglo Traction

Looking great with some paint Mark. Hope you haven't broken anything. Have you been inside it to check it's condition since you got it?. 
 
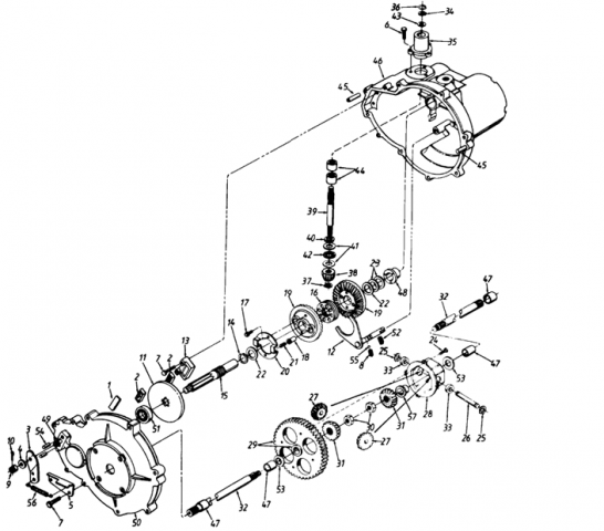
had a look at the IPL/Exploded view and there may be a few weak points that may need beefing up as your changing the 'Duty Use' it was designed for,
i.e mowing grass on lovely undulating terrain and is now Climbing Garden Steps, Walls and Rockeries :thumbs:
post-3520-0-77850600-1389111331_thumb.pn
Nothing that is outside your comfort zone with fabrication etc :bow-blue:  .

  • Like 1

Share this post


Link to post
Share on other sites
 
meadowfield

Richard,

 

I have the same diagram, but no data on part numbers, etc. Do you have any other info? recommended lubricants, etc.

 

re: going inside - I never got that far...  which is rare because everything usually comes in pieces when I get it :D

 

I'm hoping the rattling noises from the rear aren't too sinister :o

 

btw - did you get my email?

Edited by meadowfield

Share this post


Link to post
Share on other sites
 
Anglo Traction

Richard,

 

I have the same diagram, but no data on part numbers, etc. Do you have any other info? recommended lubricants, etc.

 

 

btw - did you get my email?

Yes , Still lots of bits available (West side of the pond) Good Ole Partstree , I'll see what I can dig out re the Lube. 

 

http://www.partstree.com/parts/?lc=white_outdoor&mn=132-786G190+FST-14+%281992%29&dn=0028700008

 

Must be recent email, I'll go check.

Share this post


Link to post
Share on other sites
 
meadowfield

Thanks Richard,

On my way back north now, looks like I'm going to be busy this weekend, I really don't want to have to strip things....

I have got a spare 8 sp on the project bendy and my C-161 is a donor candidate too... The engine is planned to fit project bendy anyway

Share this post


Link to post
Share on other sites
 
Bobie01

nice!!! but I think you have to build a snowplow for it!!!

Share this post


Link to post
Share on other sites
 
meadowfield

nice!!! but I think you have to build a snowplow for it!!!

I might have to modify my plough frame :)

  • Like 1

Share this post


Link to post
Share on other sites
 
JERSEYHAWG /  Glenn

I really like this project. Thumbs up!

Glenn

Share this post


Link to post
Share on other sites
 
wheelhoss

That horse is awesome. Where did you find that transmission calculator.

Share this post


Link to post
Share on other sites
 
wheeledhorseman

Hope the tranny issue isn't too serious Mark but I guess there will always be ongoing challenges with a project this awesome.

Haven't said much as I don't have any experience base to draw on but looking through the thread again to get my head round how it all works, the 'wind up' tension must be being held by the belt?

 

Forgive me if I've got this wrong but the idler for the chain & belt drive is under fixed tension. Any way of releasing this idler tension to enable four wheel drive to be de-selected? In an ideal world a tiny amount of belt slip when under heavy load or wind up might be a good thing.

 

Just a couple of random thoughts, I'm sure you have some fixes in mind.

 

Great project

 

Andy

Share this post


Link to post
Share on other sites
 
meadowfield

That horse is awesome. Where did you find that transmission calculator.

Thanks

I made it, nothing like this exists so there is no choice but to design from the ground up :D

Edited by meadowfield

Share this post


Link to post
Share on other sites
 
meadowfield

Hope the tranny issue isn't too serious Mark but I guess there will always be ongoing challenges with a project this awesome.

Haven't said much as I don't have any experience base to draw on but looking through the thread again to get my head round how it all works, the 'wind up' tension must be being held by the belt?

 

Forgive me if I've got this wrong but the idler for the chain & belt drive is under fixed tension. Any way of releasing this idler tension to enable four wheel drive to be de-selected? In an ideal world a tiny amount of belt slip when under heavy load or wind up might be a good thing.

 

Just a couple of random thoughts, I'm sure you have some fixes in mind.

 

Great project

 

Andy

Andy,

Thanks for the comments Andy,

Yes the belt tension is fixed and does hold the wind up well. I don't want to lose tension as I'm keen to ensure it is a locked 4wd with no slip.

I could pull the idler forward to take tension away when not in 4wd, but I would need a longer lever and more throw in order to firstly pull the belt and then select the gear on the transmission. It would make it change easier, but would be much more complex and simple is where it needs to be in order to be strong and reliable.

You are a jeep and land rover owner, both suffer the same issue if you wind them up on Tarmac, it is difficult to disengage 4Wd. Many modern vehicles esp. tractors use air for the actuator to stop excessive mechanical force damaging things. The recognised way has always to select 2wd and then reverse until the light goes out. My mates Case tractor sticks in 4WD for ages because of the wind up.

In reality, 4WD will only ever be used for my party tricks and driving up the big slope out of the woods. :D

So I'm prepared to live with it for now.... Project bendy needs to come back on the radar - that's likely to suffer the same issues....

Share this post


Link to post
Share on other sites
 
shorts

Used to be typical 4wd was designed to wind up so that the front /steer axle was pulling a little more than the rear to maintain steering control, the best way that I've found to get out of 4 is to preload the shift lever while rolling no load on a soft surface like a dirt or gravel shoulder

Share this post


Link to post
Share on other sites
 

Create an account or sign in to comment

You need to be a member in order to leave a comment

Create an account

Sign up for a new account in our community. It's easy!

Register a new account

Sign in

Already have an account? Sign in here.

Sign In Now

×
×
  • Create New...