ebinmaine 77,795 #26 Posted August 1, 2024 7 minutes ago, smitty316 said: Thank you! This looks more like it so I ordered one. Hopefully my plug is original and will work with this switch. Now for the fun part of tracing all of this down with the wiring diagram. Smitty The PLUG will work. The WIRES.... well have fun. That plug uses a Delco/Delphi (?) Wire end. Here's a pic of my own. 3 Share this post Link to post Share on other sites
Handy Don 16,055 #27 Posted August 1, 2024 26 minutes ago, smitty316 said: fun part of tracing all of this down with the wiring diagram. You sound experienced enough to know that as far as wire color goes, trust but VERIFY. 1 1 Share this post Link to post Share on other sites
smitty316 25 #28 Posted August 2, 2024 Experienced enough to see how little headaches can turn into big headaches. Glad to know that I can pester you guys for help though. Smitty 3 Share this post Link to post Share on other sites
rjg854 12,889 #29 Posted August 2, 2024 pester away @smitty316 Share this post Link to post Share on other sites
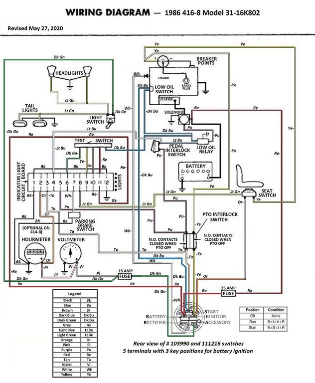
smitty316 25 #30 Posted August 5, 2024 I'm making a little progress on the wiring situation. I wanted to make sure that my pencil is pointing at the LOW OIL RELAY in image 2224 before I go any farther. I have a new ignition switch ordered so I'm trying to get it cleaned up first. They cut and spliced several wires to make the other switch (kind of) work. My goal is to get the critical wires correct so it'll run and then go back and replace and rewire the safety switches. These have all been cut out of the system. Thanks, Smitty Share this post Link to post Share on other sites
Bill D 2,678 #31 Posted August 5, 2024 (edited) How comfortable are you with wiring? I built my own replacement wiring harness from scratch with mostly new wires. I kept the wires that go to the clutch switch as I didn't have a good source for those 90° terminals. I based my wiring on a 1982 C165. Very simple wiring with just the basic safety switch, seat, clutch and PTO. Since my tractor has a Magnum engine I used a 5 pin relay to kill the engine. Edited August 5, 2024 by Bill D 3 Share this post Link to post Share on other sites
smitty316 25 #32 Posted August 5, 2024 Thanks Bill, I'm comfortable enough to get myself into trouble. I think I'll stick to the wiring diagram and keep it as original as possible. I wanted to make sure that the pencil in my picture is pointing at the Low Oil Relay. Thanks, Smitty Share this post Link to post Share on other sites
Handy Don 16,055 #33 Posted August 5, 2024 I don’t have enough knowledge of those models to help with your question, but I am glad to see your progress and plan. Good luck! 1 Share this post Link to post Share on other sites
smitty316 25 #34 Posted August 5, 2024 Anyone know where this Pedal Interlock Switch is located? Thanks, Smitty Share this post Link to post Share on other sites
smitty316 25 #35 Posted August 5, 2024 Also, A second opinion would be greatly appreciated. It looks to me like the wire from the LOW OIL SWITCH goes into the LOW OIL RELAY, and then into the PEDAL INTERLOCK SWITCH and then through the PTO INTERLOCK SWITCH and then into the START TERMINAL of the IGNITION. If this looks like it's the case, I'll just run a temporary wire from the LOW OIL RELAY down to the START on the IGNITION. I just don't want to burn anything out. Thanks, Smitty Share this post Link to post Share on other sites
Handy Don 16,055 #36 Posted August 5, 2024 Any of (or any combination of): - the PTO switch (PTO engaged--the tan/purple connection), or - the pedal interlock (pedal not depressed) or - the low oil relay (not enough oil in the engine) will prevent the starter solenoid from energizing. Any bypass of these adds risk to both the operator and the engine. 2 Share this post Link to post Share on other sites
smitty316 25 #37 Posted August 5, 2024 I totally get that and this is why I plan to replace all the safety switches at some point. It's just that the previous owner cut them out of the system and rearranged wires to make them work on the wrong ignition. I have a new, correct ignition switch coming so I'm trying to get all the main wires connected first just to get it running. Then I'll go back and do the switches one at a time. Thanks, Smitty 2 Share this post Link to post Share on other sites
oliver2-44 11,322 #38 Posted August 5, 2024 31 minutes ago, smitty316 said: g. Then I'll go back and do the switches one at a time. Thanks, Smitty I love it when people do it right 2 Share this post Link to post Share on other sites
Handy Don 16,055 #39 Posted August 5, 2024 1 hour ago, smitty316 said: I totally get that and this is why I plan to replace all the safety switches at some point. It's just that the previous owner cut them out of the system and rearranged wires to make them work on the wrong ignition. I have a new, correct ignition switch coming so I'm trying to get all the main wires connected first just to get it running. Then I'll go back and do the switches one at a time. Thanks, Smitty Music to my ears! The newer tractors in the family have the safeties but my 854 has only my attentiveness to keep me safe, so.....so what was the point I wanted to make? 2 Share this post Link to post Share on other sites
953 nut 64,639 #40 Posted August 5, 2024 5 hours ago, smitty316 said: make sure that my pencil is pointing at the LOW OIL RELAY Yes it is. The low oil switch will be OPEN if the Oil Level is good and the relay will NOT be activated. If oil level is low the switch will close activating the relay and preventing the solenoid from closing. 1 hour ago, smitty316 said: Anyone know where this Pedal Interlock Switch is located? Thanks, Smitty I believe the clutch switch is located in the tunnel between the operator's legs on the right side. You can seer the switch from the outside by removing the belt guard. The rod that goes back to the clutch arm has a tab on it that activates the switch. 1 Share this post Link to post Share on other sites
smitty316 25 #41 Posted August 6, 2024 I didn't really follow you on that 953 nut. Share this post Link to post Share on other sites
8ntruck 8,667 #42 Posted August 6, 2024 1 hour ago, Handy Don said: Music to my ears! The newer tractors in the family have the safeties but my 854 has only my attentiveness to keep me safe, so.....so what was the point I wanted to make? I just acquired an Allis Chalmers B-110 which was built between 1968 and 1972. While coaxing it back to life, it playfully reminded me that it had no safety switches by starting to climb onto my foot with the front wheel while I was jumping the starter. Forgot to put in neutral before I started to work on it. Think I'm going to add a starter relay with a safety switch on the clutch so it needs to be depressed before engaging the starter. 3 Share this post Link to post Share on other sites
953 nut 64,639 #43 Posted August 6, 2024 On 8/5/2024 at 6:04 PM, smitty316 said: It looks to me like the wire from the LOW OIL SWITCH goes into the LOW OIL RELAY, and then into the PEDAL INTERLOCK SWITCH and then through the PTO INTERLOCK SWITCH and then into the START TERMINAL of the IGNITION. If this looks like it's the case, I'll just run a temporary wire from the LOW OIL RELAY down to the START on the IGNITION. I just don't want to burn anything out The low oil relay will only operate the relay IF the oil level is low. If your intention is to just get the engine running you can remove the wire that connects the low oil switch to the relay and the relay will not prevent the starter from turning over. 21 hours ago, smitty316 said: I didn't really follow you on that 953 nut. Is this the part you didn't understand? 1 Share this post Link to post Share on other sites
Handy Don 16,055 #44 Posted August 7, 2024 On 8/5/2024 at 9:42 PM, 8ntruck said: Think I'm going to add a starter relay with a safety switch on the clutch so it needs to be depressed before engaging the starter. 👍 The later WH hydros have a neutral interlock on the motion control & the geared tractors have the interlock you describe. A member posted a video a couple years back of getting a round hood soil plow tractor stuck. He hopped off to free it and then restarted the tractor standing next to it. It started fine but it was in gear and he was not on solid footing. Narrowly avoided getting run over by both the tractor and the plow. I realized later that the videographer was not paying attention either--focused on the shot and not the situation. 1 Share this post Link to post Share on other sites
smitty316 25 #45 Posted August 7, 2024 The next thing I need to do is clean out the fuel tank. Does that valve just pull out of the tank? Or how do you get it out so I can flush the tank out. It's full of rust and crud. Thanks, Smitty Share this post Link to post Share on other sites
smitty316 25 #46 Posted August 8, 2024 I just watched a YouTube on how to use a weed eater line to get it out. Should I automatically plan to replace it if I remove it or can I put it back in without it leaking? Thanks, Smitty Share this post Link to post Share on other sites
oliver2-44 11,322 #47 Posted August 8, 2024 I replace the valve and rubber donut on most new to me tractors. 1 Share this post Link to post Share on other sites
953 nut 64,639 #48 Posted August 8, 2024 11 hours ago, smitty316 said: I just watched a YouTube on how to use a weed eater line to get it out. Should I automatically plan to replace it if I remove it or can I put it back in without it leaking? Thanks, Smitty Replace it now rather than waiting for it to start leaking later. 1 Share this post Link to post Share on other sites
smitty316 25 #49 Posted August 8, 2024 Thanks oliver2-44, Any suggestions on getting the old one out and where to by a new one? Thanks, Smitty Share this post Link to post Share on other sites
953 nut 64,639 #50 Posted August 8, 2024 https://www.ebay.com/sch/i.html?_from=R40&_nkw=wheel+horse+tank+valve&_sacat=0&_oac=1&_sop=15 1 Share this post Link to post Share on other sites