About This File
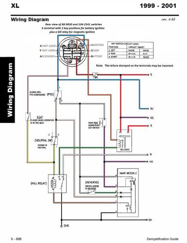
Wiring Detailed #492-4509
8 pages 2.3MB
p5-50A to p5-50G from the Demystification Guide
1999 12-32XL model 71199 Serial 9900001-9999999
1999 13-32XL model 71209 Serial 9900001-9999999- Export model - Listed @ Toro as 13-32XLE
1999 14-38XL model 71198 Serial 9900001-9999999
1999 14-38XL model 71220 Serial 9900001-9999999 - Export model 14-38XLe
1999 15-38HXL model 71221 Serial 9900001-9999999
1999 15-38HXL model 71240 Serial 9900001-9999999 - Export model 15-38HXLe
1999 17-44HXL model 71197 Serial 9900001-9999999
1999 17-44HXL model 71280 Serial 9900001-9999999- Export model - Listed @ Toro as 17-44HXLE
