About This File
LX426 Operator manual #3360-315
Wiring
60 pages 5.7MB
Wiring color pdf
1 page 424KB
-------------------------------------------------------------------------
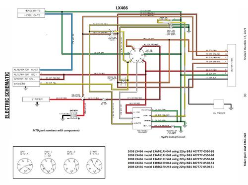
LX466 Operator manual #3360-320
Wiring
64 pages 6.7MB
Wiring color pdf
1 page 474KB
------------------------------------------------------------------------
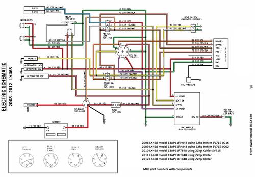
LX468 Operator manual #3360-324
Wiring
36 pages 2.9MB
Wiring color pdf
1 page 443KB
