Jump to content

Mower Rotary 21in 1986-1987 RD Walking D&A TIPL sn.pdf 1.0.0

Sign in to follow this  

gwest_ca

3 Screenshots

About This File

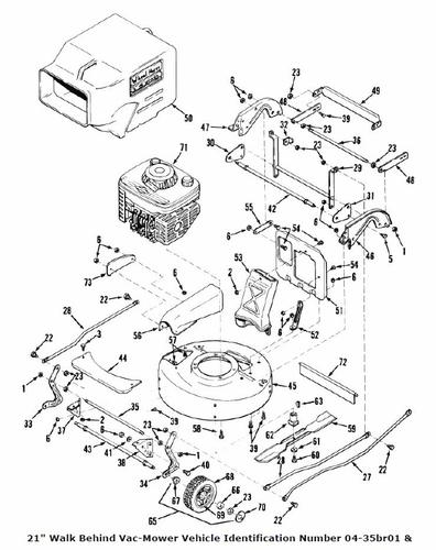
IPL from Toro Master Parts Viewer

8 pages 602KB

 

Details only

1 page 39KB

1986 - 1987 21" rear bagger walking mower 3.5hp model 04-35BR01

 

Details only

1 page 38KB

1986 - 1987 21" rear bagger walking mower 4.0hp model 04-40BR01




×
×
  • Create New...