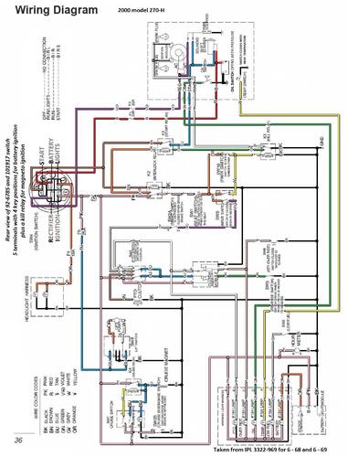
About This File
Wiring Detailed from Demystification Guide #492-4509
7 pages 2.2MB
p6-67 to p6-69 & p6-71 to p6-75
2000 270-H model 72108 Serial 200000001-200999999
2000 270-H model 72116 Serial 200000001-200999999 - Export model
2000 270-HE model 72116 Serial 200000001-200999999 - Export model
