Jump to content

Tractor 2000 268-H & 268-He Wiring Detailed Rev.pdf 1.0.0

Sign in to follow this  

gwest_ca

3 Screenshots

About This File

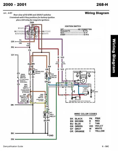
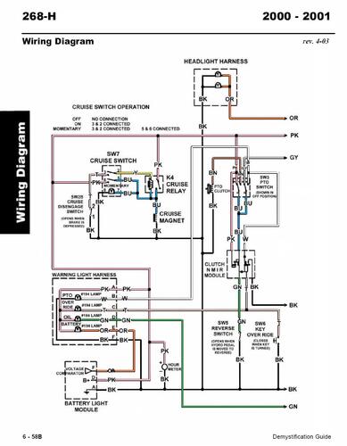
Wiring Detailed from Demystification Guide #492-4509

8 pages 2.4MB color pdf

p6-58A to p6-58H

 

2000 268-H model 72087 Serial 200000001-200999999

 

2000 268-H model 72107 Serial 200000001-200999999 - Export model 268-He




×
×
  • Create New...