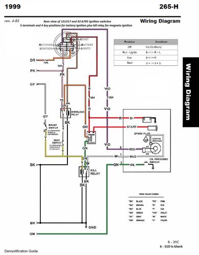
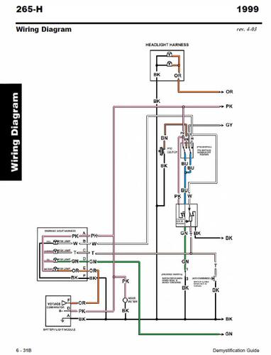
About This File
Detailed wiring from the Demystification Guide #492-4509 (B&W)
7 pages 552KB
p6-31A to p6-31C & p6-31E to p6-31H
Wiring Color pdf
7 pages 1.8MB
1999 265-H model 72048 Serial 9900001-9999999
1999 265-H model 72070 Serial 9900001-9999999 - Export model
1999 265-He model 72070 Serial 9900001-9999999 - Export model
