About This File
From 492-4509 Demystification Guide
8 pages 2.3MB
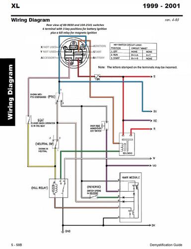
p5-50A to p5-50G
2000 12-32XL Lawn Tractor model 71199 Serial 200000001-200999999
2000 12-32XL Lawn Tractor model 71300 Recycler Serial 200000001-200999999
2000 13-32XL Lawn Tractor model 71209 Recycler Serial 200000001-200999999 - Export model 13-32XLE
2000 16-38G XL-Series Lawn Tractor model 77102 Mulcher Serial 200000001-200999999 - May not be included in this manual
2000 16-38H XL-Series Lawn Tractor model 77104 Mulcher Serial 200000001-200999999 - May not be included in this manual
2000 16-38XL Lawn Tractor model 71223 Recycler Serial 200000001-200999999
2000 16-38XL Lawn Tractor model 71226 Recycler Serial 200000001-200999999 - Export model 16-38XLE
2000 16-38HXL Lawn Tractor model 71225 Recycler Serial 200000001-200999999
2000 16-38HXL Lawn Tractor model 71241 Recycler Serial 200000001-200999999 - Export model 16-38HXLE
2000 17-44H XL-Series Lawn Tractor model 77106 Mulcher Serial 200000001-200999999 - May not be included in this manual
2000 17-44HXL Lawn Tractor model 71197 Recycler Serial 200000001-200999999
2000 17-44HXL Lawn Tractor model 71212 Recycler Serial 200000001-200999999
2000 17-44HXL Lawn Tractor model 71280 Recycler Serial 200000001-200999999 - Export model 17-44HXLE
