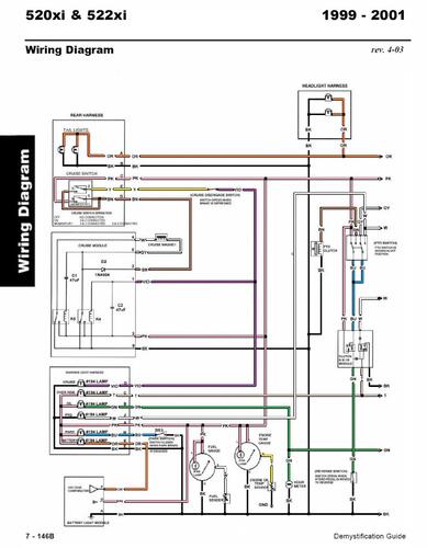
About This File
Detailed wiring from the Demystification Guide #492-4509
7 pages 2.2MB Color
p7-146a to p7-146c and p7-146e to p7-146h
2000 520xi model 73542 Serial 200000001-200999999
2000 520xi model 73570 Serial 200000001-200999999 - Export model 520xie
