About This File
Operator manual #3321-966
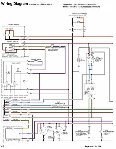
Wiring - Good copy
56 pages 1.16MB
Setup instructions #3321-967
8 pages 213.73KB
First year for NMIR module - No Mow In Reverse
Details & Attachments
3 pages 121.66KB
1999 520Lxi model 73547 Serial 9900001-9999999 - This may be the same as a Ford New Holland model GT20
1999 serial numbers that have shown up for the 73547
9900124
