About This File
Operator manual #810768R1
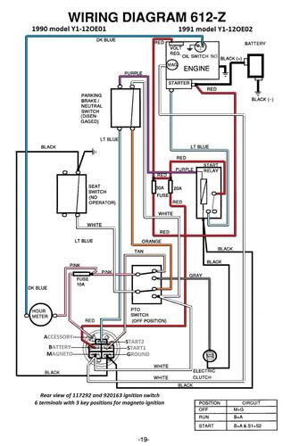
Wiring
30 pages 4.37MB
Details and attachments
3 pages 116.51KB
1991 612-Z model Y1-12OE02 Serial 1000001-1999999
Details and attachments
3 pages 118.28KB
1991 616-Z model Y1-16OE03 Serial 1000001-1999999
Details and attachments
3 pages 118.71KB
1991 620-Z model Y1-20OE02 Serial 1000001-1999999
