About This File
Details & Attachments
4 pages 125.92KB
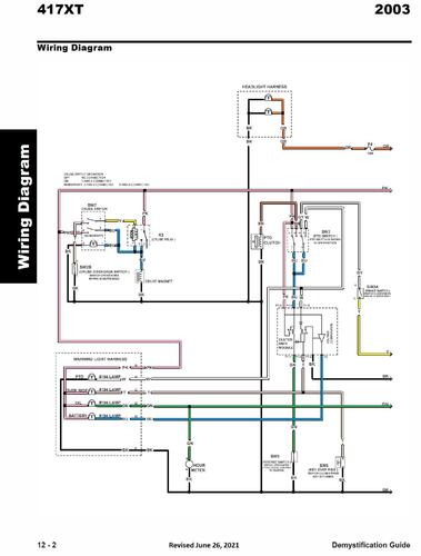
Detailed wiring from the Demystification Guide #492-4761
12 pages 2.8MB Color pdf
p12-1 to p12-12
2003 417XT Garden Tractor model 72201 Serial 230000001-230999999
2003 serial numbers that have shown up for the 72201
230000530
