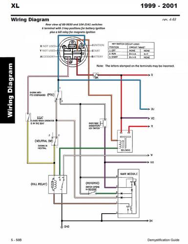
About This File
Wiring Detailed
8 pages 2.3MB
p5-50A to p5-50G from the 492-4509 Demystification Guide
2001 12-32XL model 71199 Serial 210000001-210999999
2001 12.5-32XL model 71301 Recycler Serial 210000001-210999999 - Export model 12.5-32XLe
2001 13-32XL model 71209 Recycler Serial 210000001-210999999 - Export model 13-32XLe
2001 16-38HXL model 71227 Recycler Serial 210000001-210999999
2001 16-38HXL model 71242 Recycler Serial 210000001-210999999 - Export model 16-38HXLe
2001 16-38XL model 71223 Recycler Serial 210000001-210999999
2001 16-38XL model 71226 Recycler Serial 210000001-210999999 - Export model 16-38XLe
2001 17-44HXL model 71228 Recycler Serial 210000001-210999999
2001 17-44HXL Indy Special Edition model 71233 Recycler Serial 210000001-210999999
2001 17-44HXL model 71282 Recycler Serial 210000001-210999999 - Export model 17-44HXLe
