About This File
Operator manual #3315-390 RevA for A, B and C
Wiring
32 pages 6.5MB
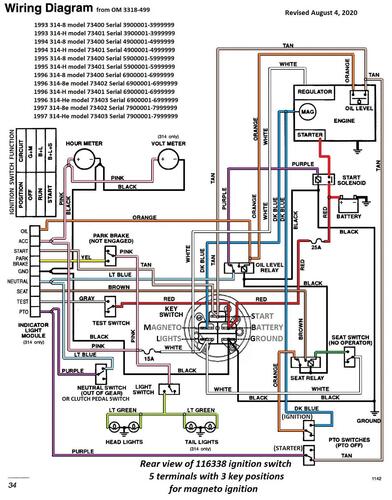
Color wiring pdf
1 page 548KB
Lube chart SS
IPL #3316-944 for A
52 pages 9.73MB
Details & Attachments
3 pages 119.78KB
1995 314-H model 73401 A Serial 5900001-5900260
1995 serial numbers that have shown up for the 73401
5900121
5900238
------------------------------------------------------------------------
IPL #3317-887 for B and C
52 pages 949KB
Transmission drive belt 108501 - (HB/5L x 81.50" or 5/8" x 81.5")
Details & Attachments
3 pages 120.67KB
1995 314-H model 73401 B Serial 5900261-5901260
1995 serial numbers that have shown up for the 73401
5900294
5900676
5901186
5901227
-------------------------------------------------------------------------
Details & Attachments
3 pages 117.06KB
1995 314-H model 73401 C Serial 5901261-5999999
1995 serial numbers that have shown up for the 73401
5901278
5901480
5901528
